Texas Instruments TPS51215Aは、リモート・センシングが必要なアプリケーションに適用されるすべてのPOS/SPCAPおよび/またはすべてのセラミックMLCC出力コンデンサをサポートしています。外部プログラム可能なインテグレータ・コンデンサを使用すると、厳密なDC負荷レギュレーションを達成できます。TPS51215Aは、OVP、OCL、5V UVLO、サーマル・シャットダウンを含む完全保護スイートを提供します。また、最大28Vの変換電圧および、0.5V~2Vの間で調整可能な出力電圧をサポートします。
TPS51215Aは、3mm × 3mm、QFN、0.4mmピッチ・パッケージで供給され、-40°C~125°Cに動作が規定されています。
特徴
- 差動電圧帰還
- 正確な安定化のためのDC補償
- 広い入力電圧範囲 3V~28V
- 柔軟な2ビットVIDは、0.5V~2.0Vの出力電圧および0V VOUT をサポート
- D-CAP2™モード @ 600kHz (超低/低ESR出力コンデンサ)
- 4,700ppm/°C、ローサイドRDS(on) 電流センシング
- プログラム可能なソフトスタート時間と出力電圧遷移時間
- 内蔵出力放電
- パワーグッド出力
- 集積ブーストスイッチ
- 内蔵OVP/UVP/OCP
- 熱シャットダウン(非ラッチ)
- 3mm × 3mm、20ピン、QFN(RUK)パッケージ
アプリケーション
- ノートブックコンピュータ
- デスクトップコンピュータ
- 産業用PC
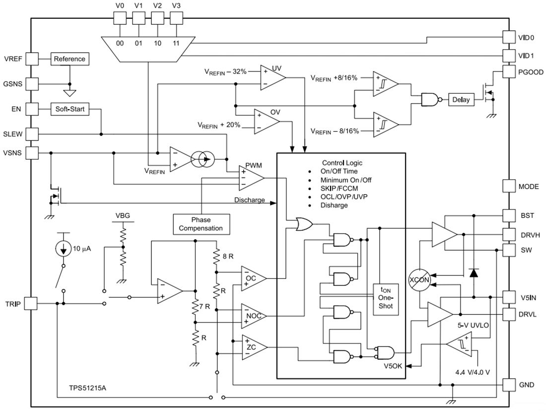
機能ブロック図
公開: 2020-08-12
| 更新済み: 2024-08-07

