TPS51385、完全な OVP、UVP、OCP、OTP、および UVLO 保護を提供します。このデバイスには、出力放電機能とパワーグッド信号が組み合わされています。TPS51385外部および内部の両方のソフトスタート時間オプションをサポートします。デバイスには、1msという内部固定ソフトスタート時間があります。アプリケーションでより長いソフトスタート時間が必要な場合は、外部 SS ピンを使用して外付けコンデンサを接続することで、より長いソフトスタート時間を実現できます。Texas InstrumentsTPS51385、-40°C~125°Cジャンクション温度で動作するように設計されており、熱強化された 12 ピン QFN パッケージで提供されます。
特徴
- 入力電圧範囲4.5V~24V
- 出力電圧範囲0.6V~5.5V
- 統合22mΩおよび11mΩ MOSFET
- 7A連続 IOUT をサポート
- 低自己消費電流:84µA
- 25°Cにおける±1%基準電圧 (0.6V)
- -40°C~125°Cにおける±1.5%基準電圧 (0.6V)
- スイッチング周波数1MHz
- D-CAP3™高速過渡応答のための制御モード
- POSCAP およびすべての MLCC 出力コンデンサをサポート
- 調整可能なソフト起動と内部1msソフト起動
- 軽負荷時の選択可能な PSM および Out-of-Audio™(OOA) モード、およびオンザフライ変更をサポート
- 大量運用サポート
- 出力電圧を監視するパワーグッドインジケーター
- ラッチ出力 OV および UV 保護
- ノンラッチUVLOとOT保護
- サイクル別の過電流保護
- 内蔵出力放電機能
- 小型2.00mm × 3.00mm HotRod™ QFNパッケージ
- TPS51386 (24V、8A) とピンツーピン互換性があります
アプリケーション
- ノートブックおよび PC コンピュータ
- ウルトラブック、タブレットコンピュータ
- TV および STB、ポイントオブロード (POL)
- 分散電源システム
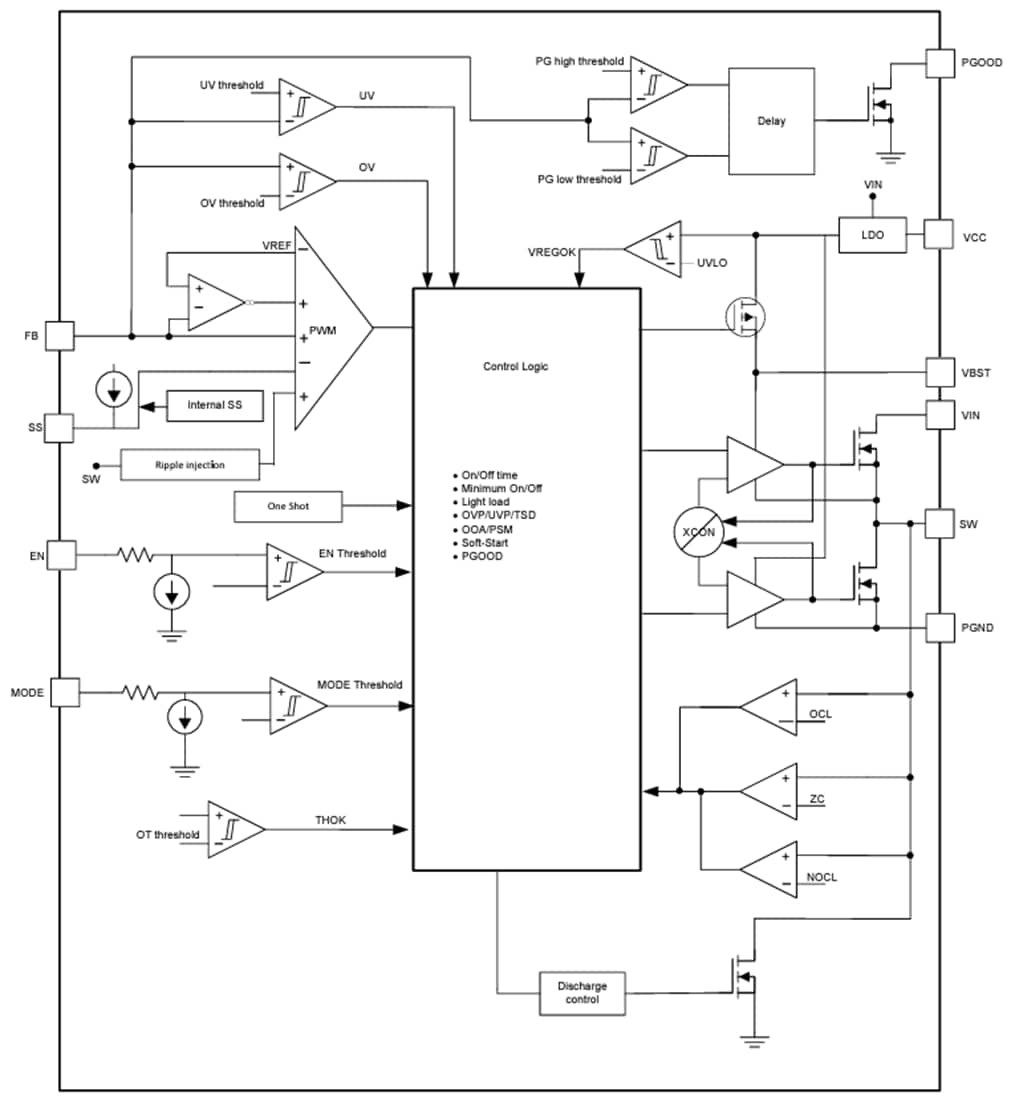
機能ブロック図
公開: 2024-01-22
| 更新済み: 2024-01-31

