Texas Instruments TPS51386同期降圧コンバータ
Texas Instruments TPS51386同期降圧コンバータは、適応オンタイムD-CAP3制御モードを備えたモノリシック同期降圧コンバータです。デバイスは、4.5V~24Vの入力電圧範囲、0.6V~5.5V の出力電圧範囲、8A連続 (IOUT)、84µAの小さな静止電流が特長です。TPS51386は低RDS(on) のパワーMOSFETを内蔵して高効率を実現しており、必要な外付け部品数が最小限のため、容積の制約が厳しい電力システムでも簡単に使用できます。この同期降圧コンバータは、正確な基準電圧、高速負荷過渡応答、軽負荷効率のための自動スキップ モード動作、および 25kHz > スイッチング周波数での Out-of-Audio™(OOA) 軽負荷動作を特徴としています。TPS51386コンバータは、過電圧保護 (OVP) 、不足電圧保護 (UVP) 、過電流保護 (OCP) 、過熱保護 (OTP) 、および不足電圧ロックアウト保護 (UVLO) などの完全な保護を提供します。代表的なアプリケーションには、ノートブック、PC、コンピュータ、ウルトラブック、タブレット コンピュータ、TVS、STB、ポイントオブロード (POL) 、分散電源システムなどがあります。
特徴
- 入力電圧範囲4.5V~24V
- 出力電圧範囲0.6V~5.5V
- 統合22mΩおよび11mΩ MOSFET
- 8A連続 (IOUTをサポート)
- D-CAP3™高速過渡応答のための制御モード
- 低自己消費電流:84µA
- ±1%基準電圧0.6V (25°C)
- ±1.5%基準電圧0.6V(–40°C) ~125°Cまで
- スイッチング周波数600kHz
- POSCAP およびすべての MLCC 出力コンデンサをサポート
- 軽負荷時の選択可能な PSM および Out-of-Audio™(OOA) モード、およびオンザフライ変更をサポート
- 調整可能なソフト起動と内部1msソフト起動
- 大量運用サポート
- 出力電圧を監視するパワーグッドインジケーター
- ラッチ出力 OV および UV 保護
- ノンラッチUVLOとOT保護
- サイクル別の過電流保護
- 出力放電機能を内蔵
- 小型2mm×3mmHotRod™QFN パッケージ
アプリケーション
- ノートブック
- PCコンピュータ
- ウルトラブック
- タブレット コンピューター
- TVSとSTB
- ポイントオブロード(POL)
- 分散型電源システム
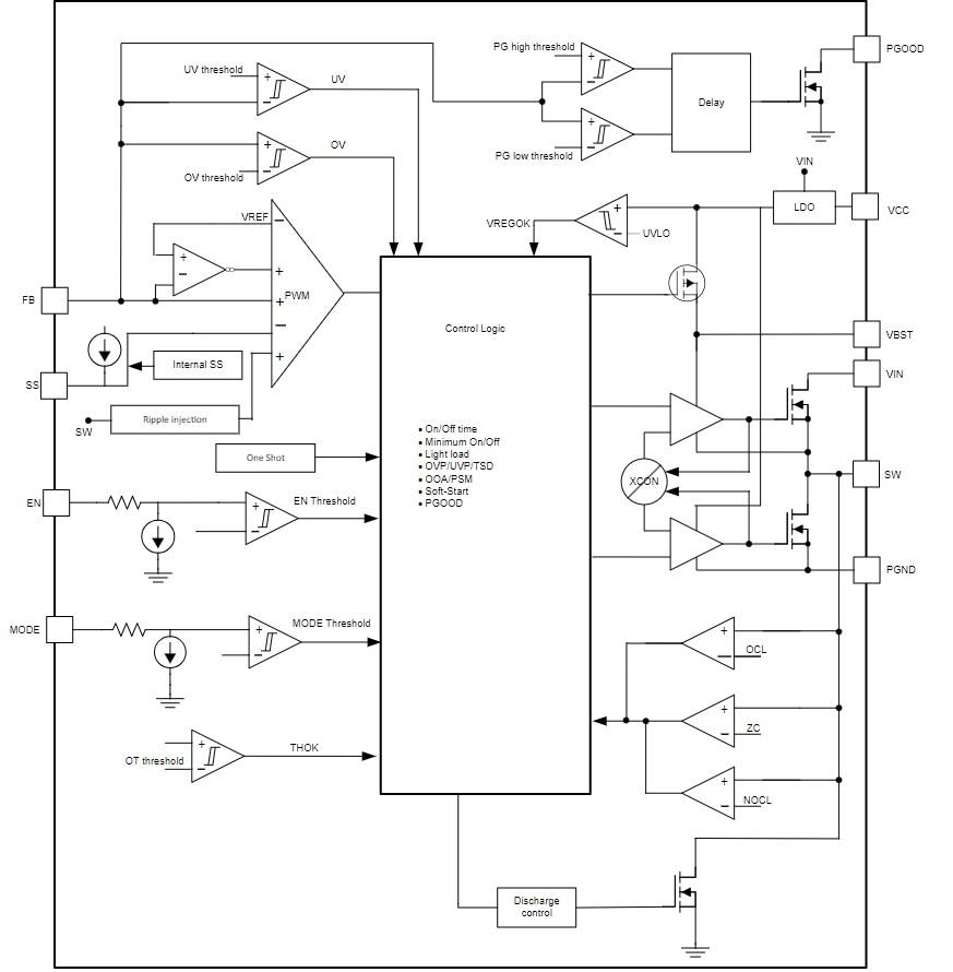
ブロック図
標準的なアプリケーション回路
公開: 2024-01-22
| 更新済み: 2024-02-19
