Texas Instruments TPS5138812A同期バックコンバータ
Texas Instruments TPS51388 12A 同期バックコンバータは、高効率を実現し、使いやすさを提供する集積MOSFETが装備されており、スペース重視の電力システム向けに外付け部品数が最小限に抑えられています。TPS51388は、D-CAP3制御モードを採用し、優れたラインおよび負荷レギュレーションと、内部補償による高速な過渡応答を提供します。ULQバッテリー寿命延長機能は、低電力動作での長時間のバッテリー寿命に大きく貢献します。大容量動作により、入力電圧が低いときの負荷過渡性能が劇的に向上します。ENピンは、軽負荷動作のエコモードまたはオーディオ出力(OOA)モードの設定に使用できます。エコモードは軽負荷動作時に高効率を維持し、OOAモードは最小限の効率低下でスイッチング周波数を可聴周波数以上に保ちます。ENピンは、コンバータ動作中でも動的に切り替えることができます。
Texas Instruments TPS51388は、出力放電機能を実現し、電源正常インジケータが集積されています。OVP、UVP、OCP、OTP、UVLOの完全保護を実現しています。デバイスは13ピン、3.0mm×4.0mmHotRodパッケージで提供され、接合部温度が–40°C~125°Cに指定されています。
特徴
- 入力電圧範囲4.5V~24V
- 0.6V~5.5V出力電圧
- 統合9.2mΩおよび4.5mΩ FET
- 12A連続出力電流をサポート
- 低静止電流:90uA
- ±1.0%リファレンス電圧精度(25°C)
- 高速過渡応答用D-CAP3™制御モードアーキテクチャ制御
- POSCAP、およびすべてのMLCC出力コンデンサをサポート
- 選択可能なエコモードと動的変化によるアウト・オブ・オーディオ™モード
- システムスタンバイ中のULQ™バッテリー寿命延長
- 内蔵出力放電機能
- 集積正常電源インジケータ
- 600kHzおよび1MHz選択可能なスイッチング周波数
- 固定ソフトスタート時間:1.0ms
- 大ューティサイクル動作
- サイクルごとの過電流および負過電流保護
- ラッチ出力OV、UV保護
- ノンラッチUVLOとOT保護
- 作接合部温度:-20°C~125°C
- 13ピン3,0mmx4,0mmHotRod™VQFNパッケージ
アプリケーション
- ノートブックおよびPCコンピュータ
- ウルトラブック、ハンドヘルド・タブレットコンピュータ
- 産業用PCシングルボードコンピュータ
- 非軍事ドローン
- 分散型電源システム
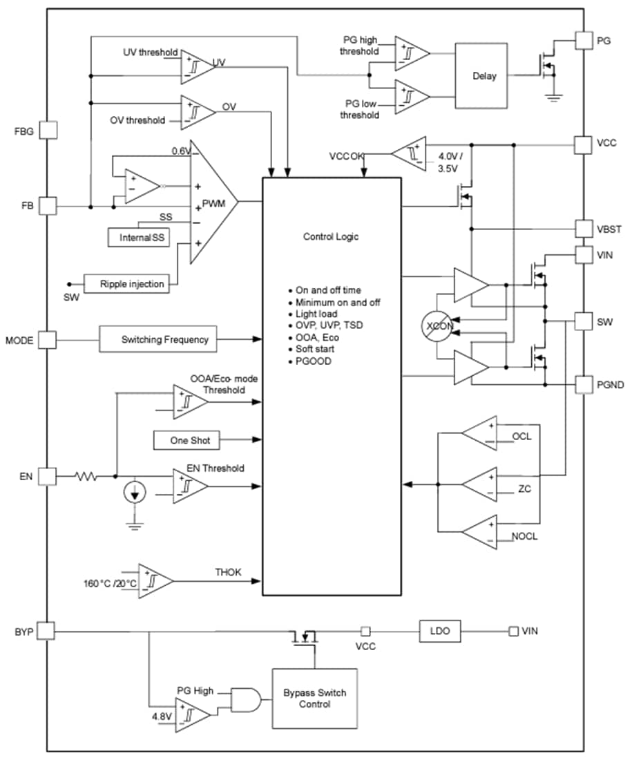
ブロック図
公開: 2024-10-25
| 更新済み: 2024-11-20
