Texas Instruments TPS53647降圧型コントローラ
Texas Instruments TPS53647降圧型コントローラは高電流、マルチフェーズの降圧型コントローラです。不揮発性メモリ(NVM)とPMBusインタフェース内蔵しています。NexFETパワーステージ(CSD95372BQ5MC)と完全な互換性があります。TPS53647は、最低5mVで0.5V~2.5Vの出力電圧で8ビット対応BOOT電圧を提供します。正確な出力電圧設定要件とする高電流アプリケーションに最適です。アンダーシュート削減法(USR)とオーバーシュート削減法(OSR)で設計されたD-CAP+アーキテクチャをはじめとする高度な制御機能を有しています。高速過渡応答、最低出力キャパシタンス、高効率を提供します。TPS53647は、新規相インターリーブ戦略とダイナミック位相制限で低負荷時の効率を改善します。特徴
- 8-bit selectable BOOT voltage via pinstrap or NVM: 0.5V to 2.5V (down to 5mV step)
- 1, 2, 3, or 4-phase operation
- PMBus system interface for telemetry of voltage, current, power, temperature, and fault conditions
- 1.8V and 3.3V PMBus bias compatible
- Fault reporting: output voltage, output current, and temperature
- Configurable with Non-Volatile Memory (NVM) or resistor Pinstrap
- 16 levels of programmable OCP with Pinstrap or NVM
- Fast-transient with DCAP+control
- Optimized efficiency at light and heavy loads
- Support pre-bias startup
- 8 independent levels of Overshoot Reduction (OSR) and Undershoot Reduction (USR)
- Driverless configuration for efficient high-frequency switching
- Fully compatible with CSD95372BQ5MC NexFET power stage
- Accurate and adjustable voltage positioning
- 300kHz to 1MHz frequency selections with closed-loop frequency control
- Patented AutoBalance phase balancing
- Dynamic phase shedding with a programmable current threshold
- Conversion voltage range: 4.5V to 17V
- Small, 6mm × 6mm, 40-pin, QFN, PowerPAD package
アプリケーション
- Application-Specific Integrated Circuit (ASIC) power in the communications equipment
- High-density power solutions
- Server power
- Smart power systems
TI Reference Designs Library
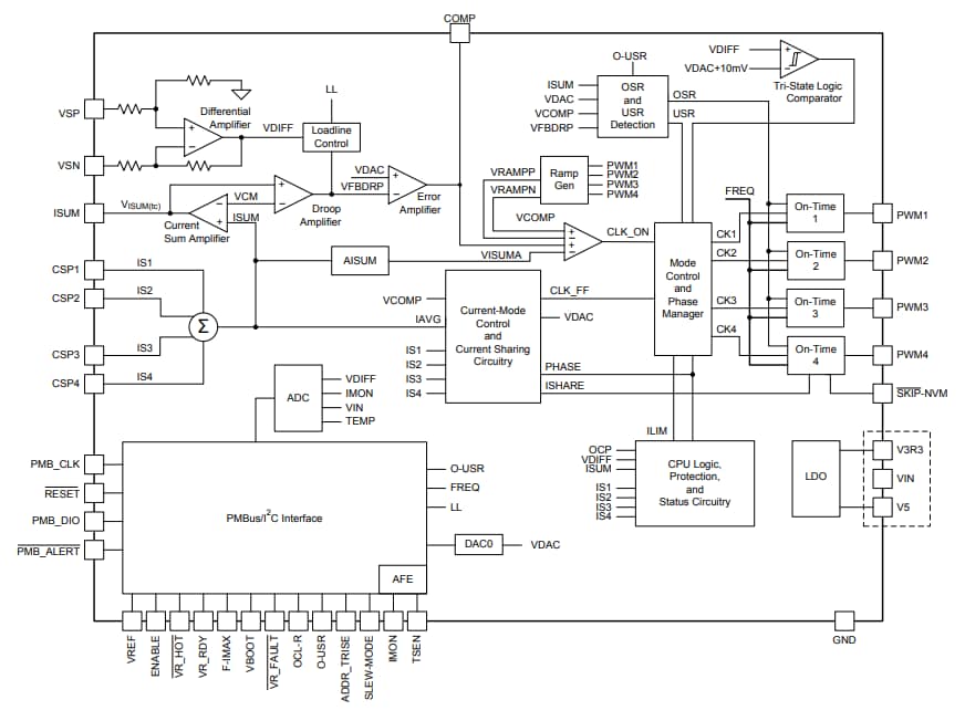
Functional Block Diagram
公開: 2015-09-10
| 更新済み: 2022-03-11
