Texas Instruments TPS53689T降圧多相 D-CAP+ コントローラ
Texas InstrumentTPS53689T降圧デジタル多相 D-CAP+ コントローラは、トランスインダクタ電圧レギュレータ (TLVR) トポロジーをサポートするVR14準拠の降圧コントローラです。このデバイスには、内蔵の不揮発性メモリ (NVM) 、2 つのチャネル、および TI スマート パワー ステージと完全に互換性のある PmBus™ インターフェイスが含まれています。D-CAP+ アーキテクチャなどの高度な制御機能により、低い出力容量、高速な過渡応答、および優れた動的電流共有が実現します。適応型電圧ポジショニングと出力電圧スルーレートの調整可能な制御がネイティブにサポートされています。さらに、このデバイスは、電流、電圧、電力、温度、障害状態のテレメトリをホスト システムに報告するための PmBus 通信インターフェイスをサポートしています。すべてのプログラム可能なパラメータは PmBus インターフェイスを介して設定でき、外部コンポーネントの数を最小限に抑えるための新しいデフォルト値として NVM に保存できます。特徴
- 入力電圧範囲4.5V~17V
- 出力電圧範囲0.25V~5.5V
- N+M 相構成をサポートするデュアル出力 (N+M ≤8、M ≤4)
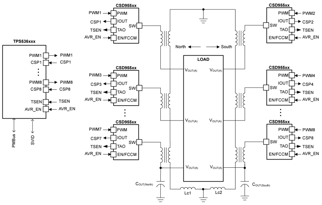
- ネイティブトランスインダクタ電圧レギュレータ (TLVR) トポロジーのサポート、LCオープンおよびショート保護付き
- TI スマートパワーステージと完全互換
- 内部1kΩ抵抗を備えた電圧源および電流源 Imon パワー ステージをサポート
- 従来型 (レガシー モード) およびリンプ モードの電力段障害識別のサポート
- 12"+ 配線長による両面電源供給をサポート
- PSYS サポートに準拠した Intel VR14 SVID
- VR13.HC/VR13.0 SVIDとの下位互換性あり
- NVM障害ステータスの自動ログ記録
- 強化された D-CAP+ 制御により、優れた動的電流共有により優れた過渡性能を実現
- プログラム可能なしきい値を備えた動的なフェーズシェディングにより、軽負荷および重負荷時の効率を最適化します。
- 外部コンポーネント数を少なくするために不揮発性メモリ (NVM) を使用して構成可能
- システム精度を向上させるためのマルチスロープゲイン校正を備えた個別の位相ごとの IMON 校正
- 過渡オーバーシュートを低減するためのプログラム可能なタイムアウトを備えたダイオード ブレーキ
- プログラム可能な相ごとのバレー電流制限 (OCL)
- 電圧、電流、電力、温度、不良状態を遠隔測定するPMBus™ v1.3.1システムインターフェイス
- PmBus を介したプログラム可能なループ補償
- 5.00mm×5.00mm、40ピン、QFNパッケージ
アプリケーション
- データセンターおよびエンタープライズコンピューティングラックサーバー
- ハードウェアアクセラレータ
- ネットワーク・インターフェイス・カード(NIC)
- ASICと高性能クライアント
簡略化されたアプリケーション (インターリーブTLVR)
公開: 2024-01-22
| 更新済み: 2024-01-31
