Texas Instruments TPS536C5デュアルチャンネル多相コントローラ
Texas Instruments TPS536C5デュアル・チャネル・マルチフェーズ・コントローラは、デュアル・チャネル、内蔵不揮発性メモリ(NVM)、PmBus™インターフェイスを備え、AMD SVI3に完全に準拠しています。TPS536C5は、TI NexFET™スマート・パワー・ステージと完全な互換性があります。アンダーシュート低減(USR)を備えたD-CAP+™アーキテクチャを含む高度な制御機能により、高速な過渡応答、低出力容量、優れた電流共有を実現します。このデバイスは、異なる負荷における効率向上のために、ダイナミックな位相開閉と斬新な位相インターリーブ戦略を提供します。AMD SVI3の機能には、調整可能なVCORE スルーレートと電圧位置決めも含まれています。さらに、TITPS536C5は、電圧、電流、電力、温度、および故障状態のテレメトリをシステムに報告するための PmBus 通信インターフェイスをサポートしています。外付け部品点数を最小限に抑えるため、すべてのプログラマブル・パラメータはPMBusインターフェース経由で設定でき、新しいデフォルト値としてNVMに保存できます。TPS536C5は熱的に強化された 48 ピン QFN パッケージに収納され、-40°C~125°Cで動作します。
特徴
- 4.5V~17Vの入力電圧範囲
- 出力電圧範囲:0.25V~5.5V
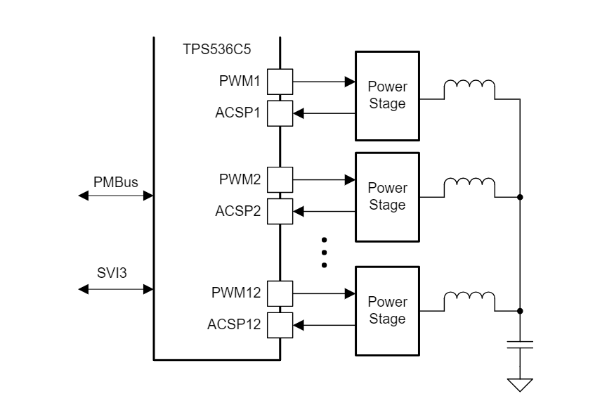
- N+M≦12相、M≦6相をサポートするデュアル出力
- トランスインダクタ電圧レギュレータ(TLVR)トポロジーのネイティブサポート
- AMD SVI3準拠
- 強化されたD-CAP+™制御により、優れたダイナミック電流シェアリングで優れた過渡性能を提供します。
- プログラマブル・ループ補償
- 柔軟な位相焼成シーケンス
- 軽負荷時および重負荷時の効率を最適化する、プログラム可能な電流しきい値によるダイナミックな位相切替
- 個別の相電流校正とレポート
- アンダーシュート削減のための高速位相追加
- 効率的な高周波スイッチング用の無人設定
- 高密度ソリューションを対象としたTI NexFET™電力段との完全互換性あり
- 正確で調整可能な電圧位置決め
- Patented AutoBalance™位相電流バランシング
- 位相ごとに選択可能な電流制限
- PmBus™電圧、電流、電力、温度、故障状態のテレメトリ用システム・インターフェース
- 6.00mm×6.00mm、48 ピン、0.4mmピッチ、QFN パッケージ
アプリケーション
- ラックサーバー
- マイクロサーバとタワーサーバ
- 高性能コンピューティング
- ベースバンド・ユニット (BBU)
ブロック図
公開: 2024-05-08
| 更新済み: 2024-05-22
