Texas Instruments TPS536C7B1降圧マルチフェーズPWMコントローラ
Texas Instruments TPS536C7B1降圧マルチフェーズPWMコントローラには、デュアルチャンネル、内蔵非揮発性メモリ(NVM)、PMBus™インターフェイスが備わっており、TI NexFET™スマート電力段との完全互換性があります。D-CAP+™アーキテクチャといった高度制御機能は、高速過渡応答、低出力容量、良好な電流共有を実現します。デバイスは、新しいフェーズインターリーブ戦略と柔軟性に富んだ点火順序も実現しています。出力電圧スルーレートの調整可能な制御と適応型電圧位置決めもサポートされています。デバイスは、PMBus通信インターフェイスもサポートしており、ホストシステムに対する電圧、電流、電力、温度、障害条件のテレメトリをレポーティングします。すべてのプログラマブル・パラメータは、PMBusインターフェイスで設定でき、新しいデフォルト値としてNVMに保存可能で、外部部品数を最小化できます。Texas Instruments TPS536C7B1は、熱的に強化された48ピンQFNパッケージで販売されており、–40°C~125°Cで動作するように定格されています。特徴
- 入力電源電圧4.5V〜18V
- 0.25V~5.5V出力電圧範囲
- 1フェーススイッチング周波数範囲あたり300kHz~2000kHz
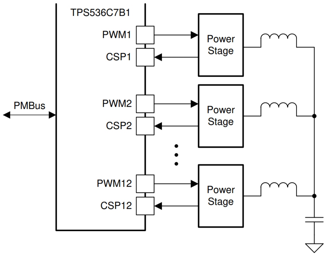
- N+M位相構成をサポートしているデュアル出力(N+M ≤ 12、M ≤ 6)
- 電圧、電流、電力、温度、障害ステータスの構成と制御、およびテレメトリ用のPMBusv1.3.1システムインターフェイス
- VOUT_COMMANDを介した適応型電圧スケーリング(AVS)
- 優れた動的電流共有によるスーパー過渡性能を実現するための強化されたD-CAP+™制御
- プログラマブル・ループ補償
- 柔軟性に富んだ位相点火順序
- Chの外部ピンストラップ ブート電圧設定
- 個々の位相電流キャリブレーションとレポート
- 位相熱バランスマネジメント(TBM)
- 動的位相制限(DPS)の完全サポート
- アンダーシュート削減(USR)のための高速位相の追加
- オーバーシュート低減(OSR)のためのボディダイオードブレーキ
- 効率的な高周波スイッチング用の無人設定
- 高密度ソリューションのための、TI NexFET™電力段との完全互換性あり
- 精度が高いプログラマブル適応型電圧位置決め(AVP)
- Patented AutoBalance™位相バランシング
- 6mm × 6mm, 48ピン、QFNパッケージ
アプリケーション
- データセンター・ネットワーク・スイッチ
- キャンパスとブランチスイッチ
- コアとエッジルータ
- ハードウェア・アクセラレータ・カード
- 高性能CPU/ASIC/FPGAパワー
簡略図
公開: 2021-01-26
| 更新済み: 2022-03-11
