Texas Instruments TPS54424 4A Synch SWIFT™降圧型コンバータ
Texas Instruments TPS54424 17V、4A同期SWIFT™降圧型コンバータは、3.5mm x 3.5mm HotRod™QFNパッケージに収められており、小型ソリューションサイズ向けに最適化されています。これは高い効率性によって達成されます。また、ハイサイドとローサイドMOSFETが統合されています。インダクタのフットプリントは、コンポーネント数を削減して高スイッチング周波数を選択することでピーク電流モード制御を用いることで縮小できます。ループ補償は、ピーク電流制御で簡素化されます。また、高速過渡応答が備わっています。ハイサイドおよびローサイドのソース電流制限時のサイクル毎のピーク電流制限によって、過負荷状態から保護されています。機能には、低電圧と過電圧を対象としたヒカップ電流制限およびパワーグッド出力モニタがあります。レギュレータのオン/オフは、専用のENピンによって制御でき、低電圧ロックアウトの調整も可能です。
特徴
- 小型3.5mm x 3.5mm HotRod™QFNパッケージ
- 統合14.1mΩと6.1mΩMOSFET
- 高速過渡応答によるピーク電流モード制御
- 200kHz~1.6MHz固定スイッチング周波数
- 外部クロックに同期
- 温度全体で0.6V ±0.85%の電圧リファレンス
- 出力電圧範囲: 0.6V~12V
- ヒカップ電流制限
- プリバイアス出力電圧までの安全な起動
- 調節可能なソフトスタートと電力シークエンシング
- 調整可能な入力低電圧ロックアウト
- シャットダウン電流: 3µA
- 低電圧と過電圧に対するパワーグッド出力モニタ
- 出力電圧保護
- 非ラッチ・サーマル・シャットダウン保護
- 接合部温度: -40°C~150°C
- WEBENCH®パワーデザイナが搭載されたTPS54424を使用してカスタム設計を作る
アプリケーション
- ワイヤレスおよびワイヤレス・インフラ
- 試験および測定
- 医療用画像処理機器
- エンタープライズ・スイッチング
- サーバ
ビデオ
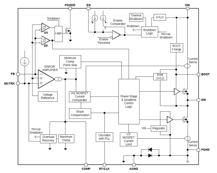
機能ブロック図
公開: 2017-10-23
| 更新済み: 2022-07-06
