Texas Instruments TPS544x20 同期バックコンバータ
テキサス・インスツルメンツの同期整流・降圧型コンバータTPS544x20は、2つの統合NチャネルNexFET™パワーMOSFETを搭載した、20Aおよび30Aの高性能DC-DCコンバータです。これらのデバイスは、TI専用のD-CAPおよびD-CAP2モード制御を実装して、自然入力電圧フィードフォワードと高速過渡反応を得るために高精度エラーアンプと低オフセット差動リモート・センス・アンプを提供し、最小限度の外部補正で精密な出力電圧調整ができるようにします。単調プレバイアス機能は、影響を受けやすい負荷に損傷を与える懸念を排除します。統合PMBus機能は、電流、電圧、オンボード温度の監視し、ユーザー・プログラマブルな多数の構成オプションを提供し、さらに アダプティブ・ボルテージ・スケーリング(AVS)と出力電圧マージンのテストを行います。特徴
- PMBus-enabled converters: 20A, 30A
- 4.5V to 18V input, 0.6V to 5.5V Output
- 5mm × 7mm LQFN package with 0.5mm pitch
- Single thermal pad
- Integrated 4.5mΩ and 2.0mΩ stacked NexFET power stage
- 600mV, 0.5% reference
- Lossless, low-side MOSFET current sensing
- Selectable D-CAP and D-CAP2 mode control
- Differential remote sensing
- Monotonic start-up into pre-biased output
- Output voltage margin and trim
- Output voltage and output current reporting
- External temperature monitoring with 2N3904
- Thermal shutdown
- Pin compatible 20A, 30A converters
- Programmable via PMBus
- Overcurrent protection
- UVLO, soft-start
- PGOOD, OV, UV, OT levels
- Fault responses
- Turn-on and turn-off delays
アプリケーション
- Test and instrumentation
- Ethernet switches, optical switches, routers, base stations
- Servers
- Enterprise storage SSD
- High-density power solutions
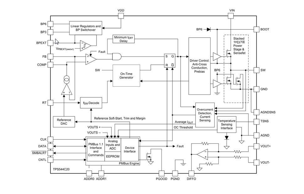
Block Diagram
公開: 2014-08-21
| 更新済み: 2022-03-11
