TIのTPS546D24Sは、7mm × 5mmのパッケージからの高周波動作と40Aの電流出力に対応しています。最大4個の TPS546D24Sデバイスを相互に接続して、単一出力で最大160Aを供給できます。コンバータは、VDD5ピンを介して外部5V電源で内蔵の5V LDOをオーバードライブできるため、コンバータの効率向上と消費電力低減を達成できます。
TPS546D24Sは、入力フィードフォワードによる独自の固定周波数電流モード制御を採用しており、内部補償部品を選択できるため、システムサイズを最小化し幅広い出力容量で安定性を確保できます。
1MHzクロックをサポートするPMBusインターフェイスは、出力電圧、出力電流、内部ダイ温度などの主要パラメータの監視用に限定されず、コンバータを設定するための便利な標準化されたデジタルインターフェイスです。フォルト条件への応答は、システム要件に応じて、再起動、ラッチオフ、または無視に設定できます。スタックしたデバイス間のバックチャネル通信により、1つの出力レールに電力供給するすべてのTPS546D24Sコンバータ間で1つのアドレスを共有できるため、システムソフトウェア/ファームウェア設計を簡素化できます。出力電圧、スイッチング周波数、ソフトスタート時間、過電流フォルト制限といった主要なパラメータは、PMBus通信を使用せずBOM選定で設定することもできるため、プログラムなしでのパワーオンに対応可能です。
特徴
- 拡張セキュリティ機能を内蔵
- 分割レールのサポート:2.95Vから16VPVIN;2.95Vから18VAVIN (スイッチング用の 4-VINVDD5)
- 4.5mΩ/0.9mΩのMOSFETを内蔵
- 選択可能な内部補償付きの平均電流モード制御
- 2x、3x、4xスタック可能で最大160Aの電流共有、出力ごとに1つのアドレスをサポート
- ピンストラップで0.5V~5.5Vの出力を選択可能、またはPMBusのVOUT_COMMANDを使用して0.25V~5.5Vの出力を選択可能
- VOUT 、IOUT 、内部ダイ温度のテレメトリを備えた広範な PmBus コマンド セット
- <1%VOUT エラー、-40°C から+150°C TJ までの内部 FB 分周器による差動リモート センシング
- PMBusによるAVSおよびマージニング機能
- MSELピンによるPMBusデフォルト値のピン設定
- 225kHz~1.5MHzで12のスイッチング周波数を選択可能(8つのピンストラップオプション)
- 周波数同期入力/同期出力
- プリバイアス出力をサポート
- 7mm × 5mm × 1.5mm、40ピンQFN
- TPS546D24Aとのドロップイン互換性
- WEBENCH Power Designerを使用し、TPS546D24Sを搭載するカスタム設計を作成
アプリケーション
- データセンター用スイッチ、ラックサーバ
- アクティブアンテナシステム、リモート無線、ベースバンドユニット
- 自動試験装置、CT、PET、MRI
- ASIC、SoC、FPGA、DSPコア、I/O電圧
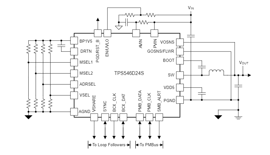
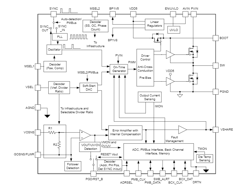
ブロック図
簡略アプリケーション
公開: 2023-04-26
| 更新済み: 2023-11-30

