Texas Instruments TPS548A20 SWIFTコンバータ
Texas Instruments TPS548A20同期降圧型SWIFT™コンバータは、小型サイズの同期バックコンバータで、適応型オンタイムD-CAP3制御モードが備わっています。このデバイスは、使いやすく、部品数が少なくてスペースを取らない電源システムです。高性能の統合MOSFET、精度0.6V基準、統合ブーストスイッチを特徴としています。外部部品数が極めて少ないこと、高速の負荷過渡反応、オートスキップモード運転、内蔵ソフトスタート制御、 補正が不要であるなどの特長があります。強制連続導通モードは、高性能のDSPおよびFPGAの厳格な電圧調整の精度要件を満たす上で役立ちます。特徴
- 内蔵されたSWIFT™ 9.9mΩおよび4.3mΩのMOSFETが15A連続IOUTをサポート
- 広い入力電圧範囲: 1.5V~20V(スナバ変換)
- 0.6V~5.5Vの出力電圧範囲
- すべてのセラミック出力コンデンサに対応
- リファレンス電圧:–40°C~85°Cの周囲温度で±0.5%公差で600mV
- 高速ロードステップ応答によるD-CAP3™制御モード
- ヒカップ過電流保護
- 軽負荷時に高効率を実現するオートスキップ Eco-Mode™
- 出力リップルおよび電圧公差に関する厳格な要件に対応するFCCM
- 事前充電スタートアップ機能
- 200kHzから1MHzまでの8種類の選択可能な周波数設定
- 4.5mm × 3.5mm、28ピン、VQFN-CLIPパッケージ
アプリケーション
- サーバ、クラウドコンピューティング、ストレージ
- テレコムおよびネットワーキング、ポイントオブロード(POL)
- IPC、工場オートメーション、PLC、テスト測定
- 高性能のDSP、FPGA
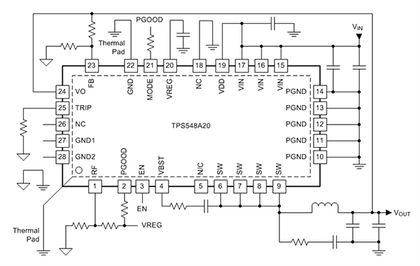
Simplified Application Circuit
Additional Resources
Application Notes
- SMT Guidelines for Stacked Inductor on Voltage Regulator IC
- Accuracy-Enhanced Ramp-Generation Design for D-CAP3 Modulation
- Unified Ground Connection Recommendation on TPS53K - Integrated FET-Converter Devices
- Point-of-Load Solutions for Data Center Applications Implementing VR13.HC VCCIN Specification
- DC/DC Converter Solutions for Hardware Accelerators in Data Center Applications
公開: 2016-01-12
| 更新済み: 2022-03-11
