Texas Instruments TPS549A20同期降圧型SWIFTコンバータ
Texas Instruments TPS549A20同期降圧型SWIFT™コンバータは、小型サイズの同期バックコンバータで、適応型オンタイムD-CAP3制御モードが備わっています。このデバイスは、使いやすく、部品数が少なくてスペースを取らない電源システムです。高性能の統合MOSFET、精度0.6V基準、統合ブーストスイッチを特徴としています。外部部品数が極めて少ないこと、高速の負荷過渡反応、オートスキップモード運転、内蔵ソフトスタート制御、 補正が不要などの特長があります。またPMBusを介した障害レポートにより、電源設計を簡素化します。強制連続導通モードは、高性能のDSPおよびFPGAの厳格な電圧調整の精度要件を満たす上で役立ちます。特徴
- 内蔵されたSWIFT™ 9.9mΩおよび4.3mΩのMOSFETが15-A連続IOUTをサポート
- 広い入力電圧範囲: 1.5V~20V(スナバ変換)
- 出力電圧範囲: 0.6V~5.5V
- 調整可能なPMBus調整
- 電圧マージンおよび調整
- ソフトスタート時間
- パワーオン遅延
- VDD UVLOレベル
- 障害レポート
- スイッチング周波数
- すべてのセラミック出力コンデンサに対応
- リファレンス電圧:–40°C~85°Cの周囲温度、±0.5%公差で600mV
- 高速ロードステップ応答によるD-CAP3制御モード
- ヒカップ過電流保護
- 軽負荷時に高効率を実現するオートスキップEco-Mode
- 出力リップルおよび電圧公差に関する厳格な要件に対応するFCCM
- 事前充電スタートアップ機能
- 8個の選択可能周波数設定
- PMBus経由で200kH~1MHz
- 4.5mm x 3.5mm、28ピン、VQFN-CLIPパッケージ
- WEBENCHデザイン・センターでのサポート
アプリケーション
- サーバ、クラウドコンピューティング、ストレージ
- テレコムおよびネットワーキング、ポイントオブロード(POL)
- IPC、工場オートメーション、PLC、テスト測定
- 高性能のDSP、FPGA
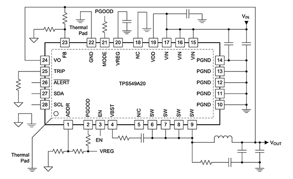
Simplified Application Circuit
Additional Resources
公開: 2016-01-12
| 更新済み: 2022-03-11
