Texas Instruments TPS549D22 SWIFT™同期降圧型コンバータ
Texas Instruments TPS549D22 SWIFT™同期降圧型コンバータは、コンパクトなシングルバックコンバータで、適応型オンタイムD-CAP3™制御モードが備わっています。このコンバータは、高精度、高効率、高速過渡応答、使い勝手の良さ、低い外部部品数、スペース重視の電力システムを目的に設計されています。TPS549D22完全差動検出、2.9mΩのハイサイドオン抵抗および1.2mΩのローサイドオン抵抗を備えたTI統合FETが特徴です。このデバイスは正確な0.5%、0.9Vリファレンスも特徴で、–40°C~125°Cの周囲温度範囲も備わっています。競争上の優位性には、非常に少ない外付け部品数、正確な負荷およびライン安定化、オートスキップまたはFCCMモード動作、内部ソフトスタート制御があります。特徴
- 入力電圧範囲(PVIN ): 1.5V~16V
- 入力バイアス電圧(VDD)範囲: 4.5V~22V
- 出力電圧範囲: 0.6V~5.5V
- 統合、2.9mΩおよび1.2mΩパワーMOSFETで、40A連続出力電流あり
- VSELピンを使用して、50mVステップで0.6V~1.2V電圧リファレンス
- ±0.5%、0.9VREF公差範囲: –40°C~+125°Cの接合部温度
- 真の差動リモートセンスアンプ
- D-CAP3TM制御ループ
- 8種類のPMBusTM周波数が備わった適応型オンタイム制御: 315kHz、425kHz、550kHz、650kHz、825kHz、900kHz、1.025MHz、1.125MHz
- RILIMおよびOCクランプでの温度補償とプログラマブル電流制限
- ヒカップまたはラッチオフOVPあるいはUVPの選択
- 精密なENによるVDD UVLO外部調整
- プレバイアススタートアップ・サポート
- Eco-modeTMとFCCMを選択可能
- 障害保護とPGOODの完全スイート
- 標準VOUT_COMMANDおよびVOUT_MARGIN(ハイ/ロー)
- ピンストラッピングとオンザフライ・プログラミング
- 障害報告および警告
- 選択したコマンドのNVMバックアップ
- PECおよびSMB_ALRT#あり1MHz PMBus
アプリケーション
- 企業用ストレージ、SSD、NAS
- 無線および有線通信インフラストラクチャ
- 工業用PC、オートメーション、ATE、PLC、ビデオ監視
- 企業用サーバ、スイッチ、ルータ
- ASIC, SoC, FPGA, DSP Core, and I/O Rails
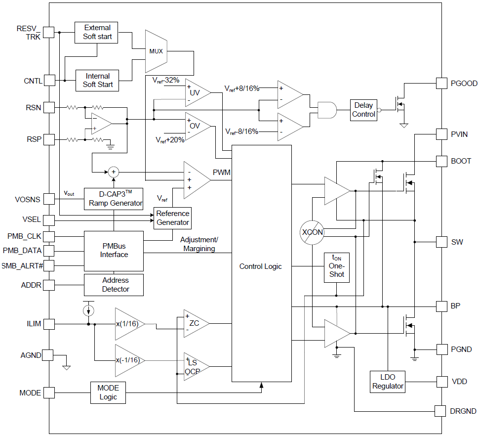
機能ブロック図
公開: 2017-01-24
| 更新済み: 2022-03-18
