専用のENピンを使用して、レギュレータのON/OFFを制御し、入力不足電圧ロックアウトを調整できます。出力電圧のスタートアップランプは、SS/TRKピンによって制御されており、これにより、スタンドアロン型電源または追跡状況のいずれかとして動作します。TPS54A24 SWIFT™降圧型コンバータは、スタンダードの4mm × 4mm WQFNパッケージでご用意があります。
特徴
- スタンダードの4mm × 4mm WQFNパッケージ
- –40°C~+150°C動作接合部温度
- 200kHz~1.6MHz固定スイッチング周波数
- ピーク電流モード制御
- 外部クロックに同期
- 温度全体で0.6V ±0.85%の電圧リファレンス
- 出力電圧範囲: 0.6V~12V
- プリバイアス出力電圧への安全な起動に対応
- ヒカップ電流制限
- 調節可能なソフトスタートと電力シーケンシング
- 調整可能な入力低電圧ロックアウト
- 低電圧と過電圧に対するパワーグッド出力モニタ
- シャットダウン電流: 3µA
- 出力電圧保護
- 非ラッチ・サーマル・シャットダウン保護
- WEBENCH®パワーデザイナが搭載されたTPS54A24を使用してカスタム設計を作る
アプリケーション
- 有線ネットワーク(スイッチ)
- 無線インフラストラクチャ
- 試験および測定
- 医療用画像処理機器
- FPGA、SoC、DSP、プロセッサ用の電力
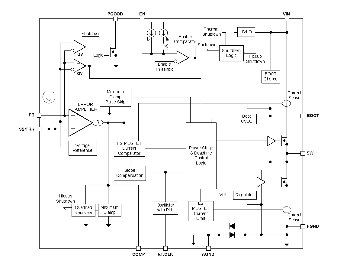
ブロック図
公開: 2019-08-01
| 更新済み: 2023-10-16

