Texas Instruments TPS562211 2A同期バックコンバータ
Texas Instruments TPS562211 2A同期バックコンバータは、柔軟性に富んだ費用対効果の高いソリューションで、SOT583パッケージに収められています。TPS562211コンバータは、Ecoモード動作またはFCCM(強制連続導通モード)動作を選択できることが特徴です。さらに、選択可能な電源正常インジケータまたは外部ソフトスタートは、MODEピンから構成することもできます。TPS562211を使用すると、イネーブル、電源正常インジケータ、または外部ソフトスタートを正しく構成することによって電力シーケンシングを実現できます。4.2V~18Vの広い入力電圧範囲によって、12Vおよび15Vといったさまざまな一般的な入力レールをサポートしています。また、0.6V~7Vの間の出力電圧で最大2Aまでの連続出力電流をサポートしています。TI TPS562211 2A同期バックコンバータは、高度エミュレート電流モード(AECM)制御トポロジを使用した真の固定スイッチング周波数がある高速過渡応答を実装しています。TPS562211は、内部スマートループ帯域幅制御を促進するため、外部補償を必要とせずに広い出力電圧範囲全域での高速過渡応答を実現します。
高圧側ピーク電流でのサイクル・バイ・サイクルの電流制限によって、過負荷状況においてコンバータを保護します。この機能は、電流の暴走を阻止する低圧側のバレー電流制限によって強化されています。ヒカップモードは、過電圧保護(OVP)、低電圧保護(UVP)、UVLO保護、熱シャットダウンの下でトリガされます。
TPS562211 2A同期バックコンバータは、1.6mm × 2.1mm SOT583パッケージに格納されています。
特徴
- 4.2V~18V入力電圧
- 0.6V~7V出力電圧
- 最大2A連続出力電流
- 45ns(最小)スイッチングON時間
- 98%(最高)デューティサイクル
- 高い効率性
- 集積66mΩおよび33mΩ MOSFET
- 自己消費電流120μA(標準)
- 柔軟性が高く、使いやすい
- EcoモードまたはFCCM動作を選択可能
- 電源正常インジケータまたは外部ソフトスタートを選択可能
- 高精度イネーブル入力
- 高精度
- ±1%(25°C)基準電圧精度
- ±8.5%スイッチング周波数許容差
- 小型ソリューションサイズ
- 使用が簡単になる内部補償
- SOT583パッケージ
- 最小限の外付け部品
- 高圧側と低圧側の両方のMOSFETを対象としたサイクル・バイ・サイクル電流制限
- ノンラッチOVP、UVP、UVLO、TSD保護
- WEBENCH® Power Designerが搭載されたTPS562211を使用してカスタム設計を作成する
アプリケーション
- セットトップボックス(STB)、デジタルTV
- スマートスピーカ
- ワイヤードネットワーキング、ブロードバンド
- 監視
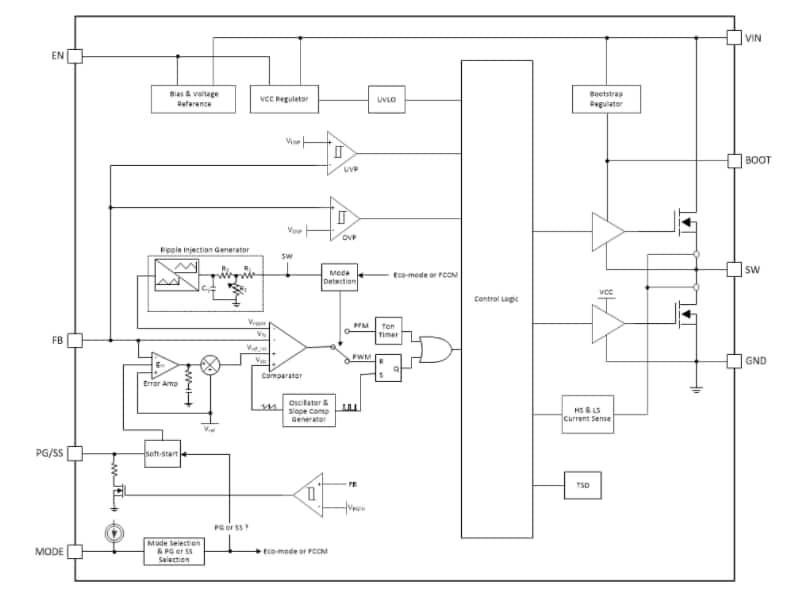
機能ブロック図
簡略図
公開: 2021-09-27
| 更新済み: 2022-03-11
