固定周波数ピーク電流制御モードを採用し、優れたラインおよび負荷安定化、高速過渡応答を実現しています 内部ループ補償を最適化することで、幅広い動作周波数と出力電圧全域で外付け補償部品が不要になっています。パルス周波数変調(PFM)モードによって、軽負荷効率が最大化されます。低自己電流機能のメリットとして、低消費電力動作での長いバッテリ寿命が実現します。周波数スペクトラム拡散機能を搭載しており、EMIノイズの低減に有用です。
Texas Instruments TPS563300は、OTP、OVP、UVLO、サイクルごとのOC制限、ヒカップモード付きUVPといった完全保護機能を実現しています。0.5mmピンピッチの小さなSOT583(1.6mm × 2.1mm)パッケージに封止されています。PCBを簡単にレイアウトできるようにピン配置が最適化されており、良好なEMI性能も促進します。
特徴
- 使いやすさと小型ソリューションサイズ
- 内部補償が備わったピーク電流制御モード
- 高軽負荷効率のためのパルス周波数変調(PFM)
- 500kHz固定スイッチング周波数
- 周波数スペクトラム拡散を用いたEMIフレンドリー
- プリバイアス出力をともなう起動をサポート
- ハイサイドとローサイドの両方のMOSFETを対象としたサイクル・バイ・サイクルOC制限
- OTP、OCP、OVP、UVP、UVLOの非ラッチ保護
- 1.6mm × 2.1mm SOT-583パッケージ
- 広範なアプリケーション用に構成
- 入力電圧範囲3.8V~28V
- 0.8V~22Vの出力電圧範囲
- 3Aの連続出力電流
- 参照電圧0.8V ± 1.5%(25°C)
- 動作接合部温度: –40°C~150°C
- 集積76mΩおよび32mΩ MOSFET
- 低自己消費電流20µA(標準)
- 最大98%のデューティーサイクル動作
- 高精度EN閾値
アプリケーション
- ビルオートメーション、電化製品、産業用PC
- 多機能プリンタ、エンタープライズプロジェクタ
- ポータブル電子機器、接続された周辺機器
- スマートスピーカ、モニタ
- 5V、12V、19V、24V入力が備わった分散型電源システム
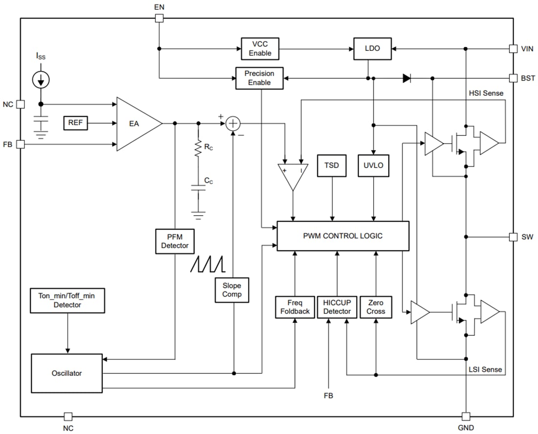
機能ブロック図
公開: 2022-09-08
| 更新済み: 2022-12-13

