Texas Instruments TPS56837H8A同期降圧コンバータ
Texas Instruments TPS56837H8A同期降圧コンバータは、4.5V~28Vの広い入力電圧範囲を備えた、使いやすい高効率降圧コンバータです。これらのコンバータは、4V~22Vの出力電圧で最大8Aの連続出力電流をサポートします。TPS56837Hコンバータは、USB Power Delivery(USB PD)アプリケーション向けに、5V、9V、15V、20Vのダイナミック出力変更に対応します。これらのコンバータは、D-CAP3制御モードを使用して、高速な過渡応答、良好なラインレギュレーションと負荷レギュレーションを提供し、外部補償を必要としません。TPS56837Hコンバータースピーカー、ノートパソコン、ビデオ会議システム、産業用パソコン、ファクトリーオートメーション、複合機。TPS56837Hコンバータは、軽負荷時に高効率を達成するためにエコモードで動作し、固定500kHzスイッチング周波数と、MODE ピンの構成により 3 つの選択可能な電流制限を備えています。TPS56837Hは、SS ピンのコンデンサ構成によってソフトスタート時間を調整できます。TPS56837Hは、パワー・グッド・インジケータおよび出力ディスチャージ機能機能と組み合わされた、完全な非ラッチ過電圧、低電圧、過電流、過温度、および低電圧ロックアウト保護を提供します。TPS56837Hは 10 ピン、3mm×3mm、HotRod QFN パッケージで提供され、ジャンクション温度は -40°C ~150°Cで指定されています。
特徴
- USB電源供給(USB PD)をサポート
- 入力電圧範囲4.5V~28V
- 出力電圧範囲4V~22V
- 8A連続出力電流をサポート
- モード選択によってローサイドMOSFETを対象とした電流制限全体で3つの調整可能サイクル・バイ・サイクル
- 負荷範囲全体での高い効率性
- 統合20.4mΩおよび9.5mΩ MOSFET
- 低自己消費電流:45μA
- 固定500kHzスイッチング周波数
- VIN = 24V、VOUT = 20V、IOUT =3Aで98.7%の効率性
- 高い軽負荷効率を実現するエコモード
アプリケーション
- PD付きUSB電源
- 産業用PC、EPOS、工場自動化および制御
- 多機能プリンタ、ビデオ会議システム
- モニタ、TV、スピーカ、PCとノートブック、ポータブル電子機器
- 一般的な目的:12V、19V、24V電源バス供給
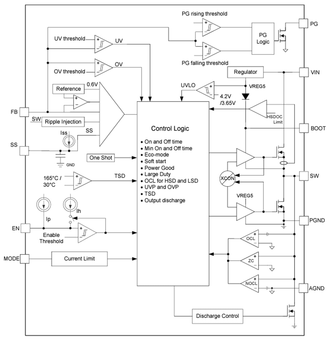
機能ブロック図
公開: 2024-03-27
| 更新済み: 2024-07-24
