TPS56C231には、高速負荷過渡応答、非常に正確なリファレンス電圧をはじめとする競争力のある機能があり、外部補償が不要で、電流制限を調整できます。Eco-modeおよびFCCM動作モードは、MODEピン構成を介した軽負荷状態での選択に利用できます。軽負荷で高い効率性を達成するために、エコモードを選択できます。厳しい出力電圧リップル要件をサポートするために、FCCMを選択できます。Texas Instruments TPS56C231は、–40°C~125°Cの接合部温度範囲で動作します。
特徴
- 入力範囲:4.5V~17V(外部バイアスなし)
- 入力範囲:3.8V~17V(外部バイアスあり)
- 12A連続出力電流をサポート
- TPS56C231は15Aピーク電流をサポート
- 統合7.8MΩおよび3.2mΩMOSFET
- –40°C~125°Cの接合部温度範囲全体で0.6V ±1%リファレンス電圧
- 出力電圧範囲: 0.6V~5.5V
- 146µA低自己消費電流
- 高速過渡応答用D-CAP3™制御モード
- セラミック出力コンデンサに対応
- 400Khz、800kHz、1200kHzの選択可能なfSW
- 厳しい出力電圧リップルのための選択可能なFCCM(強制連続導通モード)
- 高軽負荷効率のためのエコモード(オートスキップモード)を選択可能
- 効率性の向上を目的としたオプションの外部5Vバイアス
- プリバイアス起動機能
- デフォルトの1.2msソフトスタート時間が備わった調整可能なソフトスタート
- 出力電圧を監視するパワーグッド・インジケータ
- ヒカップ再起動を用いた2つの調整可能な電流制限設定: TPS56C231(14.7A、17A)およびTPS56C231L(11.5A、13.8A)
- UV、OV、OT、UVLOのノンラッチ保護
- 12A TPS56C215、8A TPS568231、8A TPS568215とのピン対ピン互換性あり
- 動作接合部温度:–40°C~125°C
- 3.5mm × 3.5mm、18ピンHotRod™ QFNパッケージ
アプリケーション
- データセンターとエンタープライズコンピューティングPOL
- 無線インフラ
- IPC、工場オートメーション、PLC、試験測定
- ハイエンドDTV
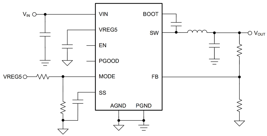
簡略図
公開: 2022-10-14
| 更新済み: 2022-12-23

