TPS61378-Q1は、ピーク電流モード制御を採用しており、スイッチング周波数は、200kHz~2.2MHzでプログラム可能です。このデバイスは、中負荷から重負荷において固定周波数PWM動作で動作します。MODE端子の設定により、軽負荷時の効率とノイズ耐性のバランスをとるために、自動PFMモードと強制PWMモードの2つのオプションモードがあります。スイッチング周波数は、外付けクロックに同期させることができます。TPS61378-Q1には、内部クロックのスペクトラム拡散が採用されており、FPWMモードでのさらなるEMIフレンドリーを目的としています。また、突入電流を制限する内部ソフトスタート時間があります。
Texas Instruments TPS61378-Q1には、外付け帰還抵抗器を節約するためのさまざまな固定出力電圧の型式があります。より広いVOUT/VIN 範囲で安定性と過渡応答を最適化するための外部ループ補償をサポートします。また、出力ショート保護、出力過電圧保護、サーマルシャットダウン保護などの堅牢な保護機能も統合されています。TPS61378-Q1は、3mm x 3mm 16ピンQFNパッケージ(ウェッタブルフランク)でご用意があります。
特徴
- AEC-Q100 自動車アプリケーション認定済
- 40°C ~125°C TA デバイス温度グレード1
- 機能安全対応
- 機能安全システム設計を支援する文書を利用可能
- 柔軟な入力および出力動作範囲
- 2.3V~14V入力電圧範囲
- 4.0V~18.5Vで出力電圧範囲をプログラミング可
- 5V、5.25V、5.5V固定出力オプション
- 1A~4.8Aプログラマブルピーク電流制限
- AM帯干渉とクロストークを回避
- 200kHz~2.2MHz動的プログラマブルスイッチング周波数
- スペクトラム拡散周波数変調
- オプションのクロック同期
- スペースに制約のあるアプリケーション用にソリューションサイズを最小化
- RDS(ON) 50mΩ/50mΩ/100mΩ (LS/HS/ISO) 内蔵FET
- 小さいL-Cで最大2.2MHzをサポート
- 軽負荷時、およびアイドル時の消費電流を最小化
- VIN 端子への静止電流25µA
- VIN 端子へのシャットダウン電流0.5µA
- 自動PFMと強制PWMモードを選択可
- 真のシャットダウンまたは障害状態時の負荷切断
- 集積保護機能
- VIN とVOUT の近接動作をサポート
- 入力不足電圧ロックアウト、出力過電圧保護
- ヒカップ出力の短絡保護
- 電源正常インジケータ
- 165°Cでの熱シャットダウン保護
- 3.3V~9V変換から0.8A負荷で90%以上の効率性
アプリケーション
- 先進運転支援システム(ADAS)
- 自動車インフォテインメントとクラスタ
- ボディ電子部材と照明装置
- 緊急コール(eコール)
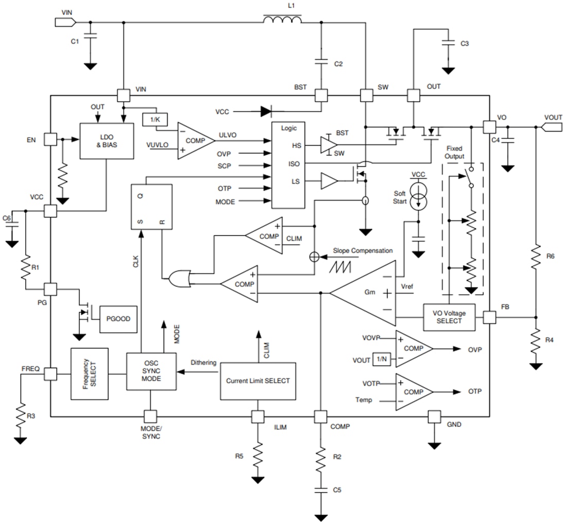
機能ブロック図
公開: 2020-12-11
| 更新済み: 2025-02-27

