TPS61379-Q1には、ピーク電流モード制御が採用されており、200kHz~2.2MHzでプログラミングできるスイッチング周波数が備わっています。デバイスは、中~重負荷での固定周波PWM動作で動作します。MODEピンを構成することによって、軽負荷での効率性とノイズ耐性の間でバランスをとるための自動PFMモードと強制PWMといった、軽負荷で使用できる2種類のオプションのモードがあります。スイッチング周波数は、外付けクロックに同期させることができます。TPS61379-Q1には、内部クロックのスペクトラム拡散が採用されており、FPWMモードでさらにEMIフレンドリーとなっています。さらに、突入電流を制限する内部ソフトスタート時間があります。
Texas Instruments TPS61379-Q1には、外付け帰還抵抗器を節約するためのさまざまな固定出力電圧の型式があります。安定性と過渡応答をより広いVOUT/VIN範囲で最適化できるように、外部ループ補償をサポートしています。出力短絡保護、出力過電圧保護、サーマルシャットダウン保護を始めとする堅牢な保護機能も統合されています。TPS61379-Q1は、3mm × 3mm 16ピンQFNパッケージ(ウェッタブル・フランク)でご用意があります。
特徴
- 車載アプリケーション向けAEC-Q100認定
- –40°C~125°C周囲動作温度グレード1
- 機能安全対応
- 機能安全システム設計を支援する文書を利用可能
- 柔軟な入力および出力動作範囲
- 2.3V~14V入力電圧範囲
- 4.0V~18.5Vで出力電圧範囲をプログラミング可
- 5V、5.25V、5.5V固定出力オプション
- 固定2Aピーク電流制限
- AM帯干渉とクロストークを回避
- 200kHz~2.2MHz動的プログラマブルスイッチング周波数
- スペクトラム拡散周波数変調
- オプションのクロック同期
- スペースに制約のあるアプリケーション向けにソリューションサイズを最小化
- 統合LS/HS/ISO FET(RDS(ON) 50mΩ/50mΩ/100mΩ)
- 小型L-Cで最大2.2MHzをサポート
- 軽負荷とアイドル状態の電流消費を最小化
- VINピンへの自己消費電流25µA
- VINピンへのシャットダウン電流0.5µA
- 自動PFMと強制PWMモードを選択可
- 真のシャットダウンまたは障害状態時の負荷切断
- 統合保護機能
- VOUT動作に近いVINをサポート
- 入力の低電圧ロックアウト、出力の低電圧保護
- ヒカップ出力の短絡保護
- 電源正常インジケータ
- 165°Cでの熱シャットダウン保護
- 3.3V~9Vの変換から0.25Aの負荷で90%以上の効率性
アプリケーション
- 先進運転支援システム(ADAS)
- 自動車インフォテインメントとクラスタ
- ボディ電子部材と照明装置
- 緊急コール(eコール)
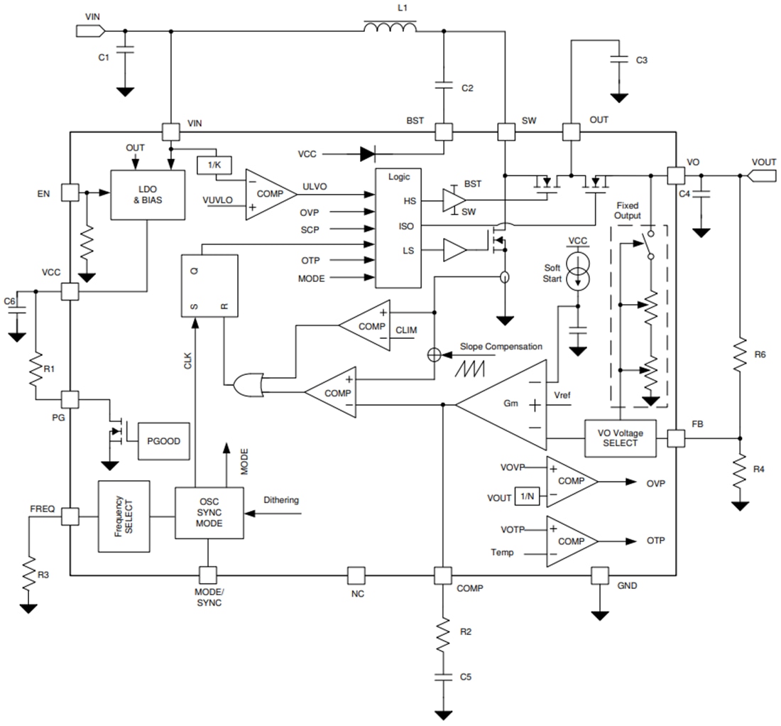
機能ブロック図
公開: 2021-05-19
| 更新済み: 2022-03-11

