Texas Instruments TPS624xx-Q1降圧コンバータ
Texas Instruments TPS624xx-Q1降圧コンバータは、同期デュアル降圧DC-DCコンバータで、先進運転支援システム(ADAS)といった車載用アプリケーションを対象としています。標準の3.3Vまたは5V電圧レールによって給電される2つの独立した出力電圧レールを実現しており、COMSイメージまたはADASカメラモジュールのシリアライザ/デシリアライザへの給電を目的に最適化された固定出力電圧が備わっています。EasyScale™シリアル・インターフェイスを使用すると、動作中に出力電圧を変更できるようになります。固定出力電圧バージョンTPS624xx-Q1は、低電力プロセッサを対象とした1ピン制御のシンプルなダイナミック電圧スケーリングをサポートしています。これらのコンバータは、2.25MHz固定スイッチング周波数で動作し、軽負荷電流時に省電力モード動作になり、負荷電流範囲全体で高い効率性を維持できます。低ノイズのアプリケーションでは、MODE/DATAピンをハイにすることによって、デバイスを固定周波数PWMモードにできます。シャットダウン・モードによって電流消費が1.2µA(typ)まで削減されます。このデバイスを使用すると、小型インダクタとコンデンサの使用が可能になり、小型のソリューションサイズを実現できます。
特徴
- 車載アプリケーション向けに品質評価済み
- AEC-Q100で品質評価済み、結果は以下のとおりです。
- デバイス温度グレード1: –40°C~125°Cの動作接合部温度範囲
- デバイスHBM ESD分類レベル2
- デバイスCDM ESD分類レベルC4B
- 高い効率性—最大95%
- VIN範囲: 2.5V~6V
- 固定周波数動作: 2.25MHz
- 出力電流TPS62406-Q1 1000mA/400mA
- 出力電流TPS62407-Q1 400mA/600mA
- 固定出力電圧
- EasyScale™ 1ピン・シリアル・インターフェイス(オプション)
- 軽負荷時に省電力モード
- 180°の位相外動作
- PWMモード±1%での出力電圧の精度
- 両方のコンバータの一般的な32µAの自己消費電流
- 100%の負荷サイクルで最小のドロップアウトを達成
アプリケーション
- 車載用ポイント・オブ・ロード・レギュレータ
- ADASカメラモジュール
- ミラー交換(CMS)
- インフォテイメント & クラスター
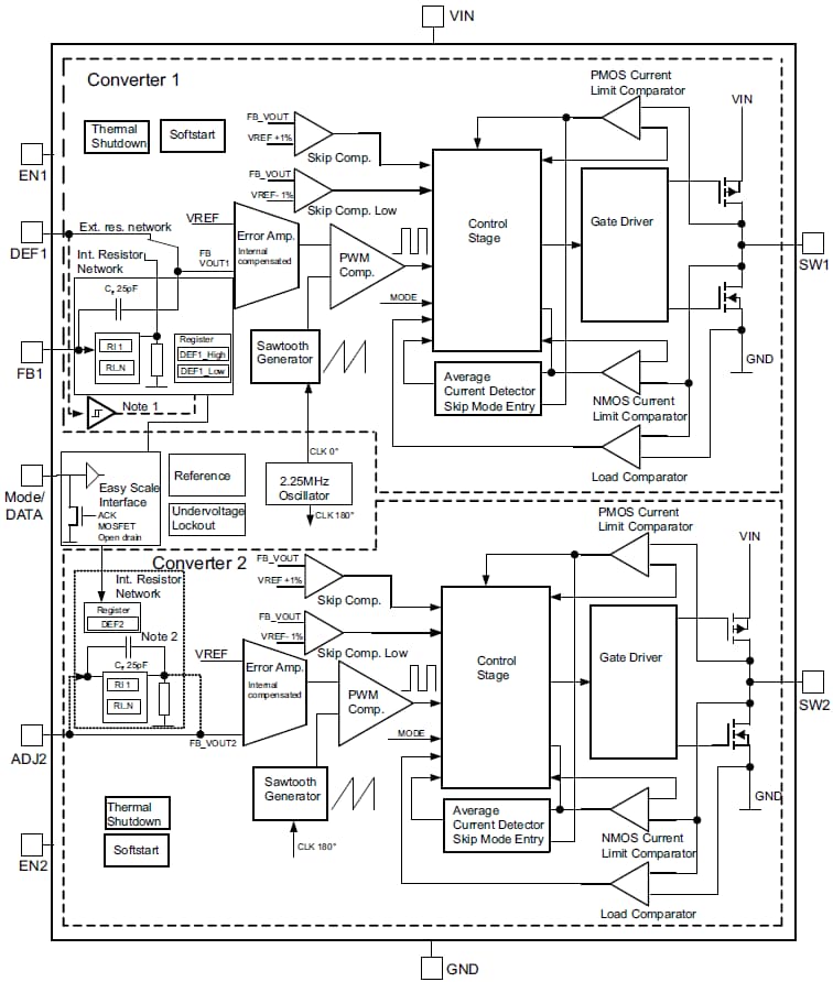
機能ブロック図
公開: 2018-06-15
| 更新済み: 2023-02-22
