Texas Instruments TPS6282x降圧コンバータ
Texas Instruments TPS6282x降圧コンバータは、使いやすい同期降圧DC-DCコンバータで、自己消費電流はわずか4µAという小ささです。DCS-Control™トポロジに基づいており、高速過渡応答を実現しています。内部リファレンスによって、-40°C~125°Cの接合部温度範囲全体で精度1%という高帰還電圧を伴い、出力電圧を最低0.6Vまで安定化を図ることができます。また、最大40Aまでの出力電流を2.4V~5.5Vの入力電圧から供給できます。これらのデバイスには、ピン対ピンおよびBOM対BOM互換性があります。全体的なソリューションには、小型470nHインダクタ、シングル4.7μF入力コンデンサ、10μF 2個またはシングル22μF出力コンデンサが必須です。TPS6282xには、自動的にパワーセーブモードに入り、非常に軽い負荷に対して高効率が備わっており、システムバッテリのランタイムの延長を目的としています。このデバイスは、パワーグッド信号および内部ソフトスタート回路が特徴です。100%モードでの動作が可能です。障害保護を念頭に、HICCUP短絡保護およびサーマル・シャットダウンの機能が組み込まれています。このデバイスは、6ピン1.5x1.5mmまたは8ピン2.0x1.5mm QFNパッケージでご用意があり、最高クラスの電力密度ソリューションとなっています。
特徴
- DCS-Control™トポロジ
- 最大出力電流: 4A
- 1%帰還電圧精度(フル温度範囲)
- 最高97%の効率
- 26mΩおよび25mΩの内部パワーMOSFET
- 入力電圧範囲: 2.4V~5.5V
- 動作時静止電流: 4µA
- スイッチング周波数: 2.2MHz
- 0.6V~4Vの調整可能な出力電圧
- イネーブル(EN)およびパワーグッド(PG)
- 内蔵ソフトスタート回路
- シームレスなパワーセーブモード移行
- 100%デューティサイクル・モード
- アクティブ出力放電
- 過熱保護
- ヒカップ短絡保護機能
- 低電圧ロックアウト機能(TPS62821、TPS62822、TPS62823)
- サイクル・バイ・サイクル電流制限(TPS62821、TPS62822、TPS62823)
アプリケーション
- ポータブル/バッテリ駆動デバイスでのPOL供給
- 工場およびビルオートメーション
- モバイルコンピューティング、ネットワーキングカード
- データ端末、POS
- サーバ、プロジェクタ、プリンタ
- ソリッドステートドライブ
- ビデオ監視
- 産業用PC
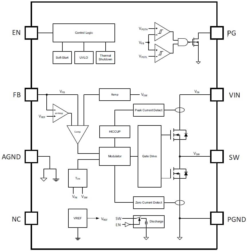
機能ブロック図
公開: 2018-06-05
| 更新済み: 2023-02-10
