Texas Instruments TPS62843は、1.5MHzの標準スイッチング周波数で動作し、最低100µAまでの負荷電流およびそれ以下の軽負荷で高い効率性を拡張します。レジスタをVSETピンに接続することで、18の事前に定義された出力電圧を選択でき、このファミリは受動部品の最小セットを用いてさまざまなアプリケーションで使用できます。
特徴
- 1.8V~5.5V入力電圧範囲
- 出力電圧範囲 0.4V~3.6V
- 静止電流 標準275nA
- 出力電流: 600mA
- 1%の出力電圧精度
- シャットダウン電流 標4nA準
- 出力放電
- VSETピンでは1個の抵抗により出力電圧を選択可能
- TPS628436:0.4V~0.8V
- TPS628437:0.8V~1.8V
- TPS628438:1.8V~3.6V
- 小型受動部品向けに最適化済み
- インダクタ 1µH
- COUT 最低4.7µF
- パワー・セーブ・モードにより、低出力電圧リップルを実現
- RFフレンドリな高速過渡DCS-Control
- リップルなし100%モードへの自動遷移
- 0603インダクタと0402コンデンササイズに対応
- 小型6ピン、サイズ0.84mm2 、0.35mmピッチのWCSPパッケージ
- TPS6280xファミリとピン互換(1A)
アプリケーション
- ウェアラブル電子機器
- ヘッドセット、ヘッドフォン、イヤフォン
- 携帯電話
- 医療センサーパッチ
- 補聴器
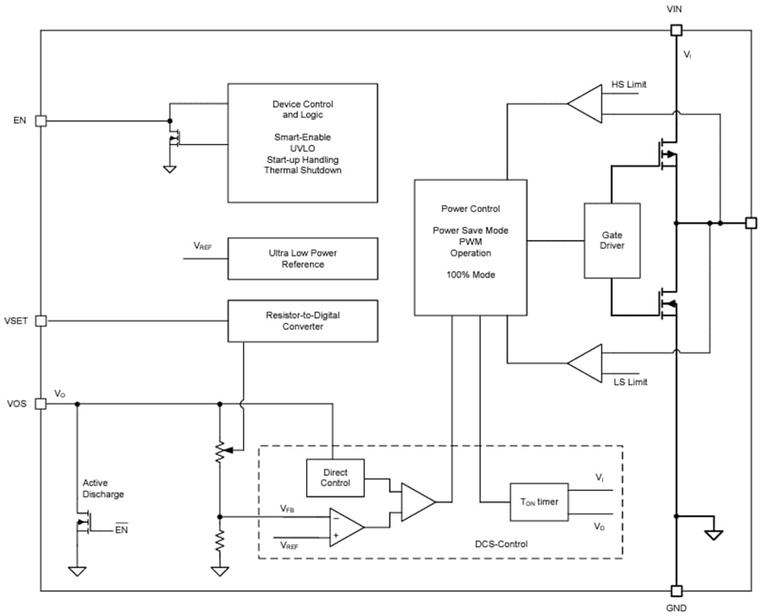
機能ブロック図
公開: 2023-08-22
| 更新済み: 2024-04-24

