Texas Instruments TPS6287Bxファミリは、速い過渡応答と固定周波数動作を組み合わせた拡張 DCS 制御方式を実装しています。デバイスは、省電力モードで動作して最大効率を得ることも、PWMモードで動作して優れた過渡性能と最小の出力電圧リップルを実現することもできます。オプションのリモートセンシング機能により、ポイントオブロードでの電圧制御が最大化され、デバイスは全出力電圧範囲で±0.8% のDC 電圧精度を達成します。
I2C互換インターフェイスは、電圧監視や温度関連の警告など、各種の制御、警告、監視機能を提供します。出力電圧は、負荷の消費電力を性能ニーズに合わせて迅速に調整することができます。デフォルトの起動電圧は、VSET1ピンとVSET2ピンを通して選択可能な抵抗器です。
特徴
- 入力電圧範囲2.7V~6V
- 定格10A、15A、20A、25Aのピン対ピン互換性デバイスのファミリ
- 3つの選択可能な出力電圧範囲:0.4V~1.675V
- 0.4V~0.71875V(1.25mV ステップ)
- 0.4V~1.0375V(2.5mV ステップ)
- 0.4V~1.675V(5mV ステップ)
- ±0.8%の出力電圧精度
- 2.6mΩおよび1.5mΩ 内部パワーMOSFET
- 調整可能なソフト起動
- 外部補償
- VSET1ピンとVSET2ピンを通して選択可能な起動出力電圧
- 0.4V~0.775V(25mV ステップ)
- 0.8V~1.55V(50mV ステップ)
- 強制PWMや省電力モードの動作
- 外部レジスタまたはI2Cによる起動出力電圧の選択
- 最大3.4MHzのI2C互換インターフェイス
- オプションのスタック動作により、出力電流能力を向上
- 差動リモートセンス
- 熱事前警告と熱シャットダウン
- 出力放電
- スペクトラム拡散クロッキング(オプション)
- パワーグッド出力(ウィンドウ・コンパレータ搭載)
アプリケーション
- FPGA、ASIC、デジタルコアの供給
- 光ネットワーク
- ストレージ
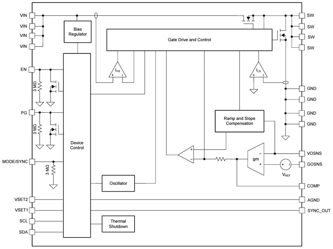
機能ブロック図
公開: 2024-03-06
| 更新済み: 2024-12-05

