Texas Instruments TPS6287x/TPS6287x-Q1 降圧コンバータ
Texas Instruments TPS6287x/TPS6287x-Q1同期降圧コンバータは、差動リモートセンシング機能を搭載したピン互換の6A、9A、12A、15A降圧DC/DCコンバータのファミリです。各定格電流に対し、I2Cインターフェイスを搭載したフル機能のデバイスバージョンと、I2Cインターフェイス非搭載の限定機能のデバイスバージョンがあります。いずれも、高効率と使いやすさが特徴です。低抵抗の電源スイッチにより、高い周囲温度で最大15Aの連続出力電流を供給できます。大きな出力電流を供給するためにスタック・モードで動作させることができます。また、複数の機器に消費電力を分散することもできます。Texas Instruments TPS6287x/TPS6287x-Q1ファミリ(の製品)には、固定周波数動作の高速過渡をサポートする優れたDCS制御スキームが実装されています。これらのデバイスは、最大効率を達成できるパワーセーブ・モード、または卓越した過渡性能をもたらす強制PWMモードで動作でき、最小クラスの出力電圧リップルがあります。オプションのリモートセンシング機能によって、負荷点での電圧制御が最大化されます。スイッチング周波数は、FSELピンからレジスタを選択できます。スイッチング周波数は、1.5MHz、2.25MHz、2.5MHz、または3MHzのいずれかに設定するか、同じ周波数範囲で外部クロックに同期させることができます。
I2C互換インターフェイスは、複数の制御、警告、監視機能を提供します。これらには、電圧の監視や温度に関連する警告が含まれます。出力電圧は、アプリケーションの性能ニーズに負荷の消費電力を素早く適応させるために、I2C互換インターフェイスを介して調整することができます。デフォルトの起動電圧は、VSELピンに接続されている抵抗で選択できます。
特徴
- 機能安全対応
- 文書は、機能安全システム設計を支援するために利用可能
- 入力電圧範囲2.7V~6V
- 6A、9A、12A、15A、20A、25A、30Aファミリのピン対ピン互換デバイス
- 4つの出力電圧範囲
- 0.4V~0.71875V(1.25mVステップ)
- 0.4V~1.0375V(2.5mVステップ)
- 0.4V~1.675V(5mVステップ)
- 0.8V~3.35V(10mVステップ)
- 出力電圧精度±1%
- 出力電圧精度: ±0.8% (TPS62877-Q1)
- 内部パワーMOSFET: 7mΩおよび4.5mΩ
- 内部パワーMOSFET: 2.6mΩおよび1.5mΩ (TPS62877-Q1)
- 調整可能な外部補償
- 抵抗器で選択できる起動時出力電圧
- 抵抗器で選択できるスイッチんング周波数
- 省電力または強制PWM動作
- 差動リモートセンシング
- 大きな出力電流の供給を実現するオプションのスタック動作
- デバイスの温度警告とシャットダウン
- 高精度イネーブル入力
- アクティブ出力放電
- スペクトラム拡散クロッキング(オプション)
- パワーグッド出力(ウィンドウ・コンパレータ搭載)
- 2.55mm × 3.55mm × 1mmウェッタブルフランクVQFNパッケージでご用意あり
- ジャンクション温度(TJ):-40°C~150°C
アプリケーション
- インフォテインメントとクラスタ
- ADAS
- FPGA、ASIC、デジタルコア電源
- DDRメモリ電源
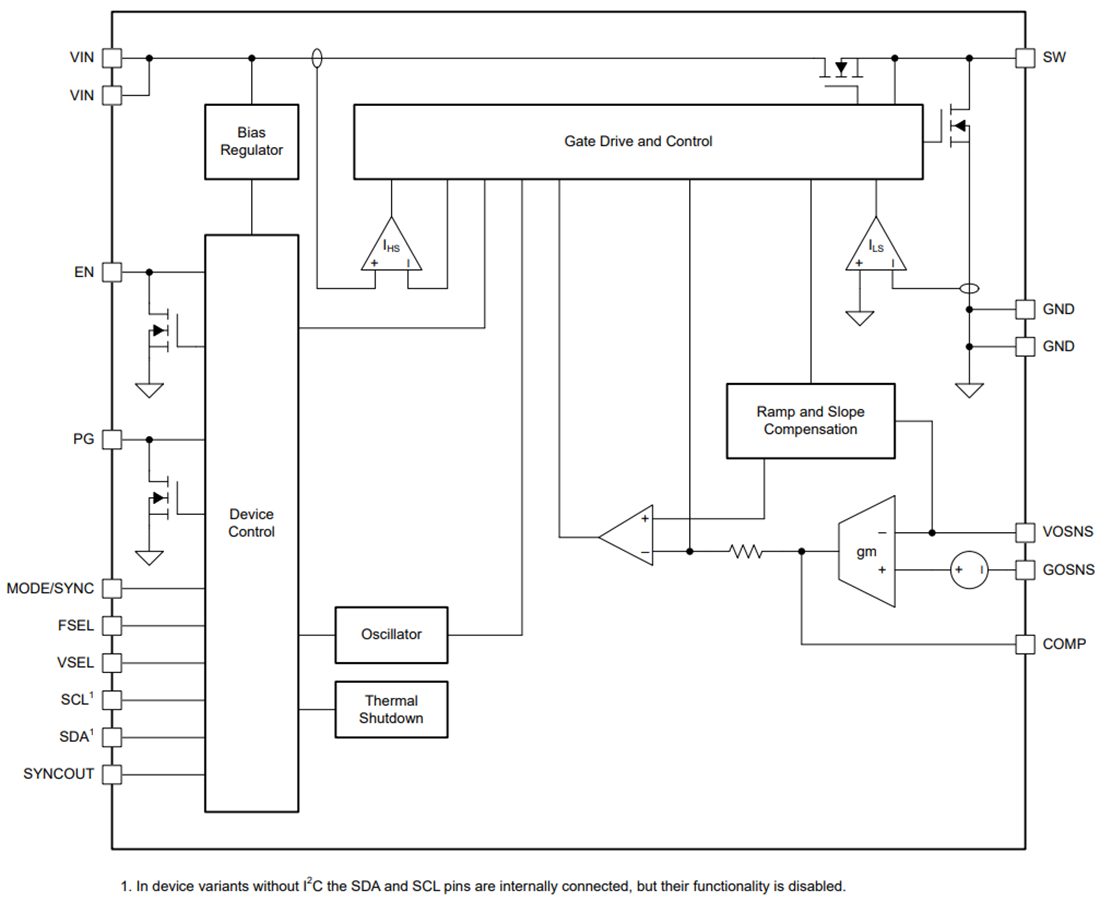
機能ブロック図
その他の資料
公開: 2022-09-08
| 更新済み: 2025-05-06
