Texas Instruments TPS62893-Q1降圧DC/DCコンバータ
テキサス・インスツルメンツ (Texas Instruments) TPS62893-Q1 降圧DC/DCコンバータは、I2Cインターフェイスと差動リモートセンスを備えた同期整流コンバータです。このDC/DCコンバータはスタックモードで動作でき、より高い出力電流の供給や、複数のデバイスへの電力損失の分散が可能です。TPS62893-Q1コンバータは、調整可能なスイッチング周波数と調整可能なループ補償を備えた固定周波数DCS制御方式を実装しています。このDC/DCコンバータは、5.0mm x 6.0mm VQFNパッケージでご用意があります。TPS62893-Q1デバイスは、車載用アプリケーションのAEC-Q100認定を受けています。このコンバータは、ADASセンサフュージョン、サラウンドビューECU、ハイブリッドと再構成可能クラスタ、ヘッドユニット、テレマティクス制御装置に最適です。特徴
- 車載アプリケーション向けにAEC-Q100認定済み:
- デバイス温度グレード1:-40°C〜125°C TA
- ジャンクション温度範囲:-40°C~+150°C
- 機能安全システム設計に役立つ機能安全対応文書を利用可能
- 入力電圧範囲2.8V~6V
- 出力電圧精度: ±0.5%
- 出力電圧範囲0.4V~1V
- 1.8mΩおよび0.7mΩ内部パワーMOSFET
- 外部補償
- 大きな出力電流の供給を実現するオプションのスタック動作
- 833kHz〜3MHzの調整可能なスイッチング周波数(製品プレビュー)
- 外部同期
- 強制PWMまたは省電力モード動作
- 最適化された負荷過渡動作
- 固定周波数DCS制御
- 非同期過渡モード
- 調整可能なドループ補償
- 小型かつ薄型のインダクタに最適化済み
- 最大3.4MHzのI2C互換インターフェイス
- 差動リモートセンシング
- 熱事前警告と熱シャットダウン
- 入力と出力の過電圧保護
- 出力放電
- スペクトラム拡散クロッキング(オプション)
- VIN、温度、VOUT、IOUT の遠隔監視機能
- 割り込み出力
- 調整可能な閾値付きウィンドウ コンパレータによるパワーグッド出力
- 5.0mm x 6.0mm VQFNパッケージでご用意あり
アプリケーション
- ADASセンサフュージョン
- サラウンドビューECU
- ハイブリッドと再構成式クラスタ
- ヘッドユニットとテレマティクスコントロールユニット
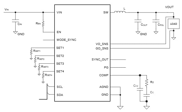
回路図
公開: 2025-09-29
| 更新済み: 2026-02-03
