また、高速過渡応答およびラインと負荷の良好な安定化を実現するために固定周波数ピーク電流制御モードを採用しています。最適化された内部ループ補償によって、外部補償部品が不要になります。パルス周波数変調(PFM)モードによって、軽負荷効率が最大化されます。ULQ(超低自己消費)機能は、低消費電力動作でのバッテリ寿命の延長に大きなメリットがあります。スイッチング周波数は、200kHz~2.2MHzの範囲でRTピンを設定することでセットできます。これによってユーザーは、システム効率、ソリューションの大きさ、帯域幅を最大化できます。外付けコンデンサを使用するとSSピンでソフトスタート時間を調整できるため、静電容量が大きな負荷の駆動時に発生する突入電流を最小化できます。また、このデバイスには、周波数スペクトラム拡散機能もあり、EMIノイズの低減に役立ちます。
Texas Instruments TPS62933/TPS62932は、小型SOT583(1.6mm × 2.1mm)パッケージに収められており、0.5mmピンピッチおよび最適化されたピン配列になっていて、簡単なPCBレイアウトと優れたEMI性能を目的としています。
特徴
- 使いやすさと小型ソリューションサイズ
- 内部補償が備わったピーク電流制御モード
- 高軽負荷効率のためのパルス周波数変調(PFM)
- 調節可能ソフトスタート時間
- 周波数を200kHz~2.2MHzの間で選択可能
- 周波数スペクトラム拡散を用いたEMIフレンドリー
- プリバイアス出力をともなう起動をサポート
- ハイサイドとローサイドの両方のMOSFETを対象としたサイクル・バイ・サイクルOC制限
- OTP、OCP、OVP、UVP、UVLOの非ラッチ保護
- 1.6mm×2.1mmのSOT583
- 広範なアプリケーション用に構成
- 3.8V~30Vの入力電圧範囲
- 0.8V~22Vの出力電圧範囲
- 12µA(標準)超低自己消費電流
- 集積76mΩおよび32mΩ MOSFET
- 0.8V ±1%基準電圧
- 最大98%のデューティーサイクル動作
- 高精度EN閾値
- 3A(TPS62933)および2A(TPS62932)連続出力電流
- 動作ジャンクション温度:–40°C~150°C
アプリケーション
- ビルオートメーション、電化製品、産業用PC
- 多機能プリンタ、エンタープライズプロジェクタ
- ポータブル電子機器、接続された周辺機器
- スマートスピーカ、モニタ
- 5V、12V、19V、24V入力が備わった分散型電源システム
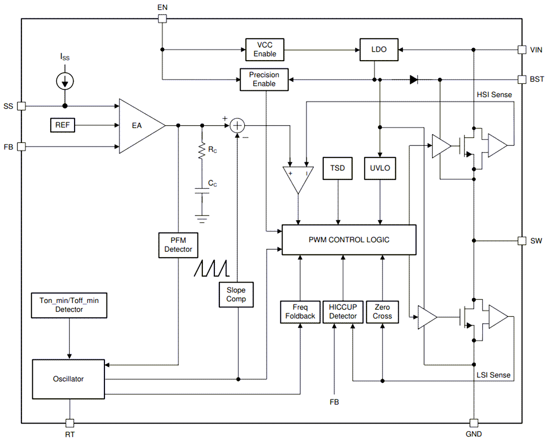
機能ブロック図
公開: 2022-04-08
| 更新済み: 2023-10-23

