Texas Instruments TPS63900同期バックブーストコンバータ
Texas Instruments TPS63900 高効率同期式降圧コンバータは、極めて低い静止電流を備えています(標準75nA標準)。このデバイスは、ユーザーが1.8V~5Vでプログラム可能な32の出力電圧設定を備えています。ダイナミック電圧スケーリング機能により、アプリケーションは動作中に2つの出力電圧を切り替えることができます。例えば、スタンバイ動作時に低いシステム電源電圧を使用して電力を節約することができます。広い電源電圧範囲とプログラム可能な入力電流制限(1mA~100mA、無制限)により、Texas Instruments TPS63900は、3Sアルカリ、1S Li-MnO2 、または1S Li-SOCl2 などの幅広い一次電池、および二次電池タイプでの使用に最適です。高出力電流機能は、sub-1-GHz、BLE、LoRa、wM-Bus、NB-IoTなど、一般的に使用されているRF規格をサポートしています。特徴
- 入力電圧範囲1.8V~5.5V
- 1.8V~5V (100mVステップ) 出力電圧範囲
- 外付け抵抗を使用してプログラミング可
- 2つの出力電圧プリセットの間で切り替えるためのSELピン
- VI ≥ 2.0V, VO = 3.3V(標準ピーク・スイッチング電流制限1.45A)で出力電流> 400mA
- より大きい出力電流のための複数デバイスのスタッカブル並列接続
- シングルモード動作
- バック、バックブースト、ブースト動作の間のモード移行を排除
- 低出力リップル
- 優れた過渡性能
- 負荷電流10µAで効率>90%
- 75nA小自己消費電流
- 60nAシャットダウン電流
- 安全性と堅牢な動作が特徴
- 総合ソフトスタート
- 8通りの設定(1mA~100mAおよび無制限)でプログラミングできる入力電流制限
- 出力の短絡と温度過昇保護
- 21mm2 の小さなソリューションサイズ
- 小型2.2µHインダクタ、シングル22µF出力コンデンサ
- 10ピン、2.5mm×2.5mm、0.5mmピッチのWSONパッケージ
アプリケーション
- スマートメーターとセンサーノード
- 電子スマートロック
- 医療センサパッチや患者モニタリング
- ウェアラブル電子機器
- 資産追跡
- 産業用IoT(スマートセンサ)/ NB-IoT
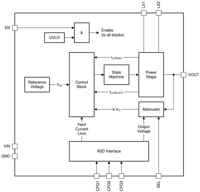
機能ブロック図
公開: 2020-12-11
| 更新済み: 2024-10-15
