Texas Instruments TPS650864xx設定可能なマルチレールPMIC
Texas Instruments TPS650864xx構成可能なマルチレールPMICは、シングルチップ電源管理IC(PMIC)Xilinx Zynqマルチプロセッサ・システム・オン・チップ(MPSoCs)とフィールドプログラマブルゲートアレイ(FPGA)用に設計されています。TPS650864xxには、広範なアプリケーションを可能にする5.6V~21Vの入力範囲が備わっています。このデバイスは、壁駆動アプリケーションまたは2S、3S、または4S Li-Ion電池パック(NVDCまたは非NVDC電源アーキテクチャ)を対象としています。D-CAP2およびDCS制御の高周波数電圧レギュレータは、小型のインダクタとコンデンサを使用して小型のソリューションサイズを実現します。D-CAP2およびDCS制御トポロジーには優れた過渡応答性能があります。この機能は高速負荷スイッチングを有するプロセッサコアおよびシステムメモリレールに優れた性能を発揮します。I2Cインターフェイスを使用すると、組み込みコントローラ(EC)またはSoCによる簡易制御が可能になります。特徴
- 5.6V~21Vの広いVIN範囲
- D-CAP2™トポロジを用いた3つの可変出力電圧同期降圧型コントローラ
- スケーラブル電流制限を備えた外部FETを使用したスケーラブル出力電流
- 10mVステップで0.41V~1.67VのI2C DVS制御または25mVステップで1V~3.575V
- DCS制御トポロジを用いた3つの可変出力電圧同期降圧型コンバータ
- 3V~5.5VのVIN
- 最大3Aの出力電流
- 10mVステップで0.41V~1.67VのI2C DVS制御または25mVステップで0.425V~3.575V
- 調整可能な出力電圧を備えた3つのLDOレギュレータ
- LDOA1: 最大200mAの出力電流に対して、1.35V~3.3VのI2Cの選択が可能な出力電圧
- LDOA2およびLDOA3: 最大600mAの出力電流に対して、0.7V~1.5のI2Cの選択が可能な出力電圧
- DDRメモリ終端用のVTT LDO
- スルーレート制御を用いた3つの負荷スイッチ
- 公称入力電圧の1.5%以下である最大300mAの出力電流
- RDSON 1.8Vの入力電圧で<96mΩ
- 5V固定出力電圧LDO (LDO5)
- SMPSのゲートドライバ用およびLDOA1用電源
- 外部5Vバックレギュレータへの高性能自動切替
- 工場出荷時OTPプログラミングによる内蔵された柔軟性および構成可能性
- イネーブル(CTL1~CTL6)または任意の選択レールのスリープモード入力(CTL3およびCTL6)の構成が可能な6本のGPIピン
- 任意の選択されたレールのパワーグッドに対して構成可能な4個のGPOピン
- オープンドレインの割り込み出力ピン
- I2Cインターフェース対応
- 標準モード(100kHz)
- 高速モード(400kHz)
- 高速モードプラス(1MHz)
アプリケーション
- プログラマブルロジックコントローラ
- マシンビジョン・カメラ
- ビデオ監視
- テストおよび測定機器
- 組み込みPC
- モーション制御機器
- ポータブル超音波
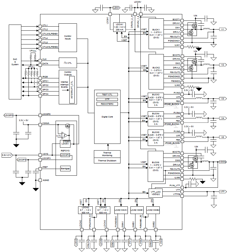
機能ブロック図
公開: 2017-08-30
| 更新済み: 2022-05-06
