Texas Instruments TPS650861設定可能マルチレールPMIC
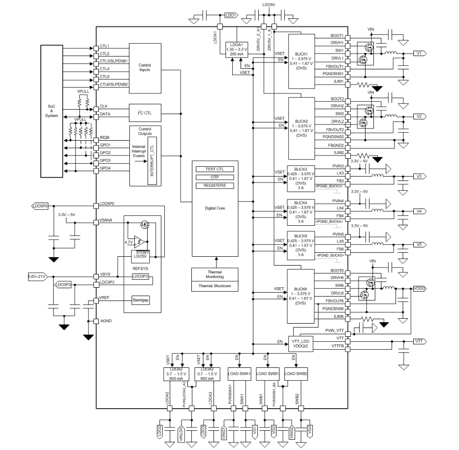
Texas Instruments TPS650861構成可能マルチレールPMICは、MPSoCおよびFPGAを対象に設計されており、プログラマブル最適出力電圧とシーケンス処理機能が備わっています。TPS650861には3つのコントローラがあり、最大30Aまでのパワーを供給できる柔軟性を発揮し、高電力設計用の大型外部FETが備わっています。また、これらのコントローラは、小型設計のためにサイズとコスト両方をダウンスケールできます。このデバイスは、コンバータ、LDO、スイッチの組み合わせのおかげで、多種多様なアプリケーション向けにシステム・パワーを実現しています。小型受動部品を使用することで、D-CAP2™およびDCS制御の高周波数電圧レギュレータは、小型ソリューション・サイズを達成できます。優れた過渡応答性能と並んで、D-CAP2™およびDCS-Controlトポロジは、プロセッサ・コア、および高速負荷スイッチングがあるシステム・メモリ・レールに最適です。特徴
- デフォルト電圧とシーケンスのプログラミングを目的とした、2バンクのワンタイム・プログラマブル・メモリ
- 5.6V~21Vの広いVIN範囲
- 3つの可変出力電圧同期
- D-CAP2™トポロジを備えた降圧型コントローラ
- スケーラブル電流制限を備えた外部FETを使用したスケーラブル出力電流
- 10mVステップで0.41V~1.67VのI2C DVS制御または25mVステップあるいは固定5V出力で1V~3.575V
- DCS制御トポロジを用いた3つの可変出力電圧同期降圧型コンバータ
- 3V~5.5VのVIN
- 最大3Aの出力電流
- 25mVステップでのI2C DVS制御0.425~3.575V
- 調整可能な出力電圧を備えた3つのLDOレギュレータ
- LDOA1: 最大200mAの出力電流を対象としたI2C選択可能電圧1.35V~3.3V
- LDOA2およびLDOA3: 最大600mAの出力電流に対して、それぞれ0.7V~1.5のI2Cの選択が可能な電圧
- DDRメモリ終端用のVTT LDO
- スルーレート制御を用いた3つの負荷スイッチ
- 公称入力電圧の1.5%以下である最大300mAの出力電流
- RDSON 1.8Vの入力電圧で<96mΩ
- 5V固定出力電圧LDO (LDO5)
- SMPSのゲートドライバ用およびLDOA1用電源
- 外部5Vバックレギュレータへの高性能自動切替
- 出荷時OTPプログラミングによる内蔵された柔軟性および構成可能性
- イネーブル(CTL1~CTL6)または任意の選択レールのスリープモード入力(CTL3およびCTL6)の構成が可能な6本のGPIピン
- 任意の選択されたレールのパワーグッドに対して構成可能な4個のGPOピン
- オープンドレインの割り込み出力ピン
- I2Cインターフェイスは、標準モード(100kHz)、高速モード(400kHz)、高速モードプラス(1MHz)をサポート
アプリケーション
- プログラマブルロジックコントローラ
- マシンビジョン・カメラ
- ビデオ監視
- テストおよび測定機器
- 組み込みPC
- モーション制御機器
ブロック図
公開: 2018-08-24
| 更新済み: 2023-04-03
