Texas Instruments TPS6508700パワーマネジメントIC (PMIC)
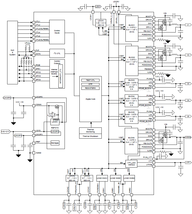
Texas Instruments TPS6508700パワーマネジメントIC(PMIC)は、シングルチップPMICで、AMD™ファミリ17hモデル10h-1Fhプロセッサ向けに設計されており、ノートPCやオールインワン・デスクトップPCをターゲットとしています。TPS6508700には、5.6V~21Vの入力範囲があり、広範なアプリケーションで使用できます。このデバイスは、2S、3S、または4Sリチウムイオンバッテリパックを使用しているNVDCおよび非NVDC電源アーキテクチャに最適です。D-CAP2™およびDCS-Control™高周波数電圧レギュレータは、小型のインダクタとコンデンサを使用して小型のソリューションサイズを実現します。D-CAP2およびDCS-Controlトポロジには最適な過渡応答性能があり、高速負荷スイッチングを有するプロセッサコアおよびシステムメモリレールに最適です。An I2Cインターフェイスを使用すると、組み込みコントローラ(EC)またはシステムオンチップ(SoC)による簡易制御が可能になります。特徴
- 5.6V~21Vの広いVIN範囲
- DCAP2™トポロジを用いた3つの可変出力電圧同期降圧型コントローラ
- スケーラブル電流制限を備えた外部FETを使用したスケーラブル出力電流
- I2Cダイナミック電圧スケーリング(DVS)制御は、BUCK2とBUCK6、BUCK1用の外部フィードバックを対象としています。
- DCS制御トポロジを用いた3つの可変出力電圧同期降圧型コンバータ、I2C DVS機能
- 4.5V~5.5VのVIN
- VOUT範囲: 0.425V~3.575V
- 最大3Aの出力電流
- 調整可能な出力電圧を備えた3つのLDOレギュレータ
- LDOA1: 最大200mAの出力電流に対して、1.35V~3.3VのI2Cの選択が可能な出力電圧
- LDOA2およびLDOA3: 最大600mAの出力電流に対して、0.7V~1.5のI2Cの選択が可能な出力電圧
- 入力電圧としてBUCK6が搭載されているLDO
- スルーレート制御を用いた3つの負荷スイッチ
- 公称入力電圧の1.5%以下である最大300mAの出力電流
- RDSON 1.8Vの入力電圧で<96mΩ
- 5V固定出力電圧LDO (LDO5)
- SMPSのゲートドライバ用およびLDOA1用電源
- 5Vバックレギュレータへの高性能自動切替
- 工場出荷時OTPプログラミングによる組み込みシーケンシング
- G3’、G3、S5、S0状態選択に使用されるCTL1、CTL4、CTL5
- PG_S0およびPG_S5に使用されるGPO1およびGPO2
- オープンドレインの割り込み出力ピン
- I2Cインターフェース対応
- 標準モード(100kHz)
- 高速モード(400kHz)
- 高速モードプラス(1MHz)
アプリケーション
- 2/3/4連セルリチウムバッテリー駆動製品(NVDCまたは非NVDC)
- 特に12V供給からのウォール・パワード設計
- タブレット、ウルトラブック、ノートブックPC
- モバイルPCとモバイルインターネット端末
機能ブロック図
公開: 2018-06-20
| 更新済み: 2023-03-01
