特徴
- スイッチングFET内蔵の可変降圧型コンバータ3台(DCDC1、DCDC2、DCDC3)
- 最大1.8-Aまでの出力電流
- VIN範囲2.7 V~5.5 V
- 調整可能な出力電圧範囲: 0.85 V~1.675 V(DCDC1、DCDC2)
- 可変出力電圧範囲: 0.9 V~3.4 V(DCDC3)
- 軽負荷時に省電力モード
- 100%の負荷サイクルで最小のドロップアウトを達成
- ディスエーブル時に有効になる出力放電
- スイッチングFET内蔵の可変バックブースト・コンバータ1台(DCDC4)
- 最大1.6-Aまでの出力電流
- VIN範囲2.7 V~5.5 V
- 可変出力電圧範囲: 1.175 V~3.4 V
- ディスエーブル時に有効になる出力放電
- バッテリー・バックアップ・ドメイン向けの低零入力電流で高効率の降圧型コンバータが2個(DCDC5、DCDC6)
- DCDC5: 1-V出力
- DCDC6: 1.8-V出力
- VIN範囲2.2 V~5.5 V
- システム電源またはボタン電池バックアップ・バッテリーから供給
- 調整可能な汎用LDO(LDO1)
- LDO1: 1.8-Vデフォルトで最大400mAまで
- VIN範囲1.8 V~5.5 V
- 可変出力電圧範囲0.9 V~3.4 V
- ディスエーブル時に有効になる出力放電
- 350-mAの電流制限がある低電圧負荷スイッチ(LS1)
- VIN範囲1.2 V~3.6 V
- 1.35 Vで110-mΩ(最高)スイッチインピーダンス
- 電流制限を100-mAまたは500-mAから選択できる5-V負荷スイッチ(LS2)
- VIN範囲3 V~5.5 V
- 5 Vで500-mΩ(最高)スイッチインピーダンス
- 電流制限を100-mAまたは500-mAから選択できる高電圧の負荷スイッチ(LS3)
- VIN範囲1.8 V~10 V
- 500-mΩ(最大)スイッチングインピーダンス
- スーパーバイザ機能モニタを内蔵したスーパーバイザ
- DCDC1、DCDC2 ±4%許容差
- DCDC3、DCDC4 ±5%許容差
- LDO1 ±5%公差
- 保護、診断、制御
- 低電圧ロックアウト(UVLO)機能
- 「常時オン」のプッシュボタン・モニタ
- 過熱警告とシャットダウン
- バックアップ電源およびメイン電源用の独立したパワーグッド出力
- I2Cインターフェイス (アドレス 0x24) (400 kHzでのI2C動作については、時計要件を参照)
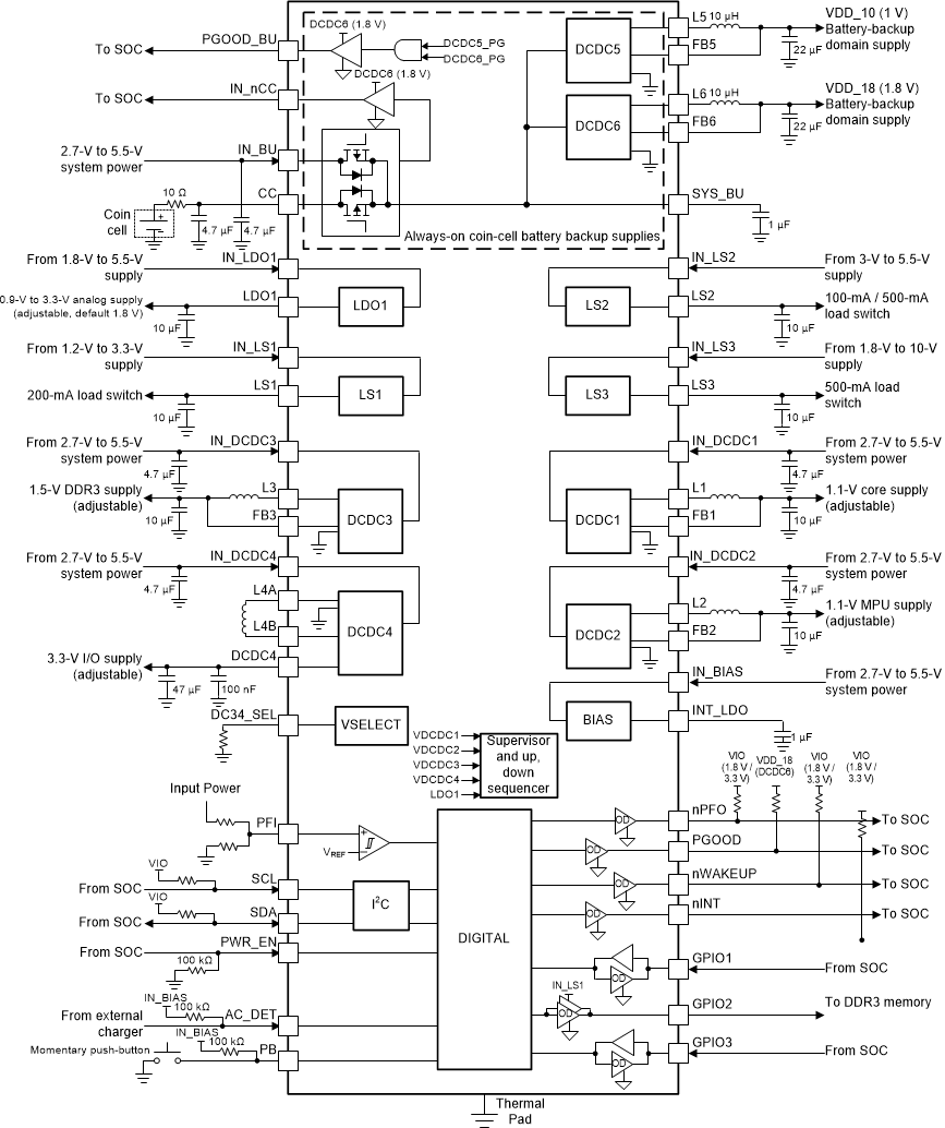
ブロック図
公開: 2019-12-24
| 更新済み: 2024-02-16

