Texas Instruments TPS65265トリプル・バック・コンバータ
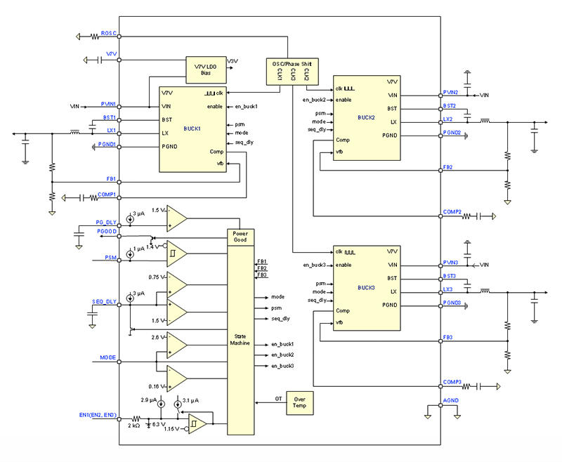
Texas Instruments TPS65265トリプル降圧型コンバータには、4.5V~17Vの広い入力電圧範囲を備えたトリプル同期降圧型コンバータが組み込まれています。5V、9V、12Vまたは15Vの電源バスまたはバッテリから動作するほとんどの中間バス電圧に対応しています。一定の周波数ピーク電流モードを備えたこのコンバータは、アプリケーションを簡素化するように設計されています。同時に、ターゲットとなるアプリケーションに対して、システムを最適化することが可能になっています。このコンバータのスイッチング周波数は、外部レジスタまたは外部クロックを使用し、250kHz~2.3MHzの間で調節することが可能です。バック1、バック2、バック3の間での120°アウトオブフェーズ動作によって、入力フィルタ要件が緩和されます。特徴
- 動作入力電圧範囲: 4.5V~17V
- フィードバックリファレンス電圧: 0.6V ±1.33%
- 連続出力電流: 5A/3A/2A
- 調整可能クロック周波数: 250kHz~2.3MHz
- 外部同期発振器
- Buck1、Buck2、Buck3向け120°位相
- 各バックの専用イネーブル・ピン
- 各バックの固定SS時間(2.4ミリ秒)
- 自動電力アップ/パワーダウン・シーケンスとバック間の調整可能なインターバル時間(6つの組み合わせ)
- パルス・スキッピング・モード(PSM)および強制連続電流モード(CCM)をサポート
- 出力電圧パワーグッドインジケータと調整可能な遅延時間
- サーマル過負荷保護
- 32ピンQFN(RHB)5mm × 5mmパッケージ
アプリケーション
- DTV
- セットトップボックス/OTT
- ホームゲートウェイとアクセスポイントネットワーク
- 監視
Simplified Application Circuit
Block Diagram
Additional Resources
公開: 2016-01-15
| 更新済み: 2022-03-11
