Texas Instruments TPS65320D-Q1車載用LDOレギュレータ
Texas Instruments TPS65320D-Q1車載用LDOレギュレータには、高VIN DC-DC降圧コンバータと高VIN 280mA低ドロップアウト(LDO)レギュレータが組み合わされており、システム・ニーズに適合する柔軟性に富んだ設計を実現しています。このバック・レギュレータには、100kHz~2.5MHzの調整可能スイッチモード周波数が備わっています。同時に、低ドロップアウト(LDO)レギュレータは、高VIN 280mAの電流能力を実現しており、無負荷状態で35μA(typ)の自己消費電流が備わっています。このバック・レギュレータには、統合250mΩハイサイドMOSFET、3.6V~36Vの入力範囲があります。このLDOレギュレータは、無負荷で45µA(typ)の低入力供給電流が特徴で、アクティブロー、プッシュプル・リセット出力ピンを用いた統合MOSFETも実現しています。低リップル・パルススキップ・モードによって、無負荷時の供給電流を最大140μAまで低下させます。内蔵保護機能には、ソフトスタート、電流制限、熱センシング、過度の電力損失に対するシャットダウンがあります。TPS65320D-Q1は、車載用アプリケーションのAEC-Q100認定を受けています。特徴
- 車載アプリケーション向けに品質評価済み
- AEC-Q100で品質評価済み、結果は以下のとおり:
- デバイス温度グレード1: –40°C~125°Cの動作周囲温度
- デバイスHBM ESD分類レベル2
- デバイスCDM ESD分類レベルC4B
- 高VIN降圧DC-DCコンバータ1台
- 3.6V~36Vの入力範囲
- 250mΩのハイサイドMOSFET
- 最大負荷電流: 3.2A、調節可能出力: 1.1V~20V
- 調整可能な切替周波数: 100kHz~2.5MHz
- 外部クロックに同期
- Pulse Skipping Eco-mode™制御スキームを使用した、軽負荷で高い効率
- 最大140µAの動作自己消費電流
- 低ドロップアウト電圧(LDO)レギュレータ1台
- 3V~20Vの入力範囲があり、効率とロースタンバイ電流のバランスをとるためのオートソース機能搭載
- 無負荷状態での35μA(typ)の自己消費電流で280mAの電流能力
- 正常電源出力(プッシュ-プル)
- 300mV @ IO = 200mA(typ)の低ドロップアウト電圧
- 両方のレギュレータに対する過電流保護
- 過熱保護
- PowerPAD™集積回路パッケージがある14ピンHTSSOPパッケージ
アプリケーション
- 自動車インフォテインメントとクラスタ
- 先進運転支援システム(ADAS)
- 自動車テレマティックス、eCall
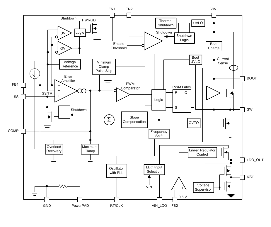
ブロック図
公開: 2018-08-14
| 更新済み: 2023-03-09
