Texas Instruments TPS65321A-Q1車載用3.2Aバック・コンバータ
Texas Instruments TPS65321A-Q1自動車用3.2Aバック・コンバータには、高VIN DC-DC降圧コンバータが組み合わされており、調整可能なスイッチモード周波数100kHz~2.5MHz、および高VIN 280mA低ドロップアウト(LDO)レギュレータが備わっています。この降圧コンバータには、入力範囲3.6V~36Vがあります。また、LDOレギュレータには、3V~36Vがあります。このバック・レギュレータには、統合ハイサイドMOSFETがあり、アクティブロー、オープンドレイン・パワーグッド出力ピン(nRST)があり、システムのニーズにフィットする柔軟性に富んだ設計を実現しています。このLDOレギュレータは、無負荷モードで45µA(typ.)という低入力供給電流が特徴です。低電圧追跡機能によって、TPS65321A-Q1は、コールドクランク状態時の入力電源を追跡できます。内蔵保護機能は、ソフトスタート、電流制限、熱センシング、過度の電力損失に対するシャットダウンといった機器で使用されています。さらに、TPS65321A-Q1には、内部低電圧ロックアウト(UVLO)機能があり、この機能によって供給電圧が低すぎる場合にデバイスがオフになります。TPS65321A-Q1は、自動車アプリケーションを対象としたAEC-Q100の認定を受けています。特徴
- 車載アプリケーション向けに品質評価済み
- AEC-Q100で品質評価済み、結果は以下のとおり:
- デバイス温度グレード1: –40°C~125°Cの動作周囲温度
- デバイスHBM ESD分類レベル2
- デバイスCDM ESD分類レベルC4B
- 高VIN降圧DC-DCコンバータ1台
- 3.6V~36Vの入力範囲
- 250mΩのハイサイドMOSFET
- 最大負荷電流: 3.2A、調節可能出力: 1.1V~20V
- 調整可能な切替周波数: 100kHz~2.5MHz
- 外部クロックに同期
- Pulse Skipping Eco-mode™制御スキームを使用した、軽負荷で高い効率
- 最大140µAの動作自己消費電流
- リセット出力ピン(アクティブロー、オープンドレイン)
- 高VIN 低ドロップアウト(LDO)電圧レギュレータ1台
- 3V~36Vの入力範囲
- 無負荷状態での標準35μAの自己消費電流で280mAの電流能力
- 300mV @ IO = 200mA(typ)の低ドロップアウト電圧
- 両方のレギュレータに対する過電流保護
- 過熱保護
- PowerPAD™集積回路パッケージがある14ピンHTSSOPパッケージ
アプリケーション
- 自動車インフォテインメントとクラスタ
- 先進運転支援システム(ADAS)
- 自動車テレマティックス、eCall
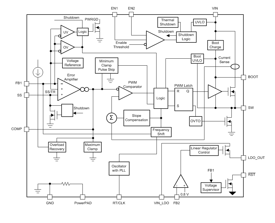
ブロック図
公開: 2018-11-15
| 更新済み: 2025-03-06
