Texas Instruments TPS65911パワー管理IC (PMIC)
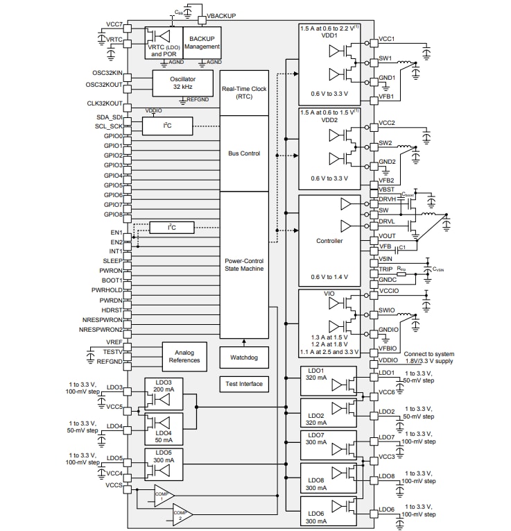
Texas Instruments TPS65911パワー・マネジメントIC(PMIC)は、3台の降圧コンバータ、高電流をサポートするための外部FET用コントローラ1台、LDO 8個を実現しています。このデバイスは、異なるプロセッサとアプリケーションのサポートを目的に、柔軟性に富んだPMICとなるように設計されています。TPS65911は、リチウムイオンまたはリチウムイオン・ポリマ電池セル1個、3シリーズNi-MHセル、または5V入力で駆動するアプリケーション、および複数の電源レールが必要となるアプリケーションを対象に設計されています。専用I2Cインターフェイスによるダイナミック電圧スケーリングは、デュアル・プロセッサ・コアを介してサポートされています。これらのプロセッサ・コアは、降圧コンバータ2台によって給電されており、最適な省電力を実現しています。第3コンバータは、システムにおいてI/Oおよびメモリに電力を供給します。8個の汎用LDOレギュレータは、さまざまな電圧と電流機能を実現しています。LDOレギュレータ5台によって、100mVステップで1~3.3Vをサポートしています。残りの3台のレギュレータ(LDO1、LDO2、LDO4)は、50mVステップで1.0~3.3Vをサポートしています。I2Cインターフェイスは、すべてのLDOレギュレータを完全に制御します。この組み込みパワー・コントローラ(EPC)には、EEPROMプログラム可能性があり、システムとRTCのパワー・シーケンシング要件に対処できます。
特徴
- 電力制御用の2つの独立したイネーブル信号リソース(EN1、EN2)
- また、VDD1およびVDD2の電圧スケーリング用にEN1およびEN2ピンを高速I2Cインターフェイスとして使用することも可能
- リアルタイムクロック(RTC)リソース:
- 32.768kHz水晶または32kHz内蔵RC発振器のための発振器
- 日付、時間、カレンダー
- アラーム機能
- 9つの構成可能なGPIO(多重化機能サポートあり):
- 4つは、パワーアップシーケンスに含まれ、ステートマシンによって制御される外部リソースを有効にするために使用可能
- GPIとして、GPIOは、論理レベル検出をサポートしており、ウェイクアップ用の一般的なマスク可能割込を発生させることができる
- LED駆動用の2つのGPIOには10mA電流シンク能力あり
- 外部3MHzクロックを介したDC-DCコンバータのスイッチング同期
- 2つのリセット入力:
- コールド・リセット(HDRST)
- サーマル・リセット入力用の電力初期化リセット(PWRDN)
- リセット信号用のシステムと追加の出力のための32kHzクロックとリセット(NRESPWRON)
- 監視
- オンとオフLEDパルス発生器2台、PWMジェネレータ1台
- VCCSピンに接続されている、システム制御用のコンパレータ2台
- JTAGおよびバウンダリ・スキャン(機能モードでのアクセス負荷[テスト目的])
- EEPROMプログラム性がある組み込みパワー・コントローラ(EPC)
- プロセッサ・コア(VDD1、VDD2)向けの効率的な降圧DC-DCコンバータ2台
- I/O電源(VIO)用の効率的な降圧DC-DCコンバータ1台
- 外部FET(VDDCtrl)用コントローラ1台
- プロセッサ・コア用のダイナミック電圧スケーリング(DVS)
- LDO電圧レギュレータ8台、RTC LDO(内部RTC向け供給)1台
- 熱シャットダウン保護とホットダイ検出
- 汎用制御コマンド(CTL-I2C)用の高速I2Cインターフェイス1台
アプリケーション
- ポータブル・システム
- ハンドヘルド・システム
ブロック図
公開: 2018-09-28
| 更新済み: 2023-05-31
