このデバイスには、シャットダウン状態で1µA未満まで降下する1mA自己消費電流があります。自己消費電流は、他の多くのレギュレータと同様にドロップアウトが発生しないため、TPS73801で良好に制御されています。高速過渡応答に加えて、TPS73801レギュレータは出力ノイズが非常に低く、敏感なRF供給アプリケーションに最適です。
TI TPS73801レギュレータは、最低10µFまでの出力コンデンサと1.21V ~ 20Vの出力電圧範囲で安定しています。ほとんどのレギュレータとは異なり、ESRを追加することなく小型セラミックコンデンサを使用できます。
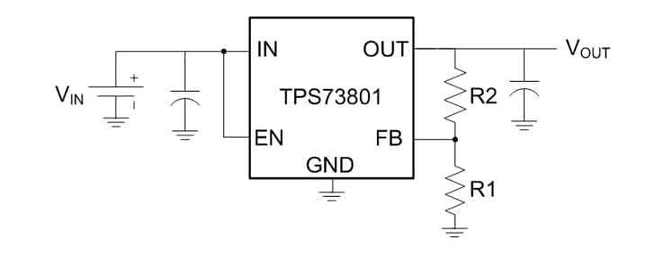
内部保護回路には、逆バッテリ保護、電流制限、熱制限、逆電流保護があります。TPS73801は、1.21Vリファレンス電圧を備えた調整可能デバイスとして提供されます。TPS73801レギュレータは、6ピンTO-223(DCQ)パッケージで設計されています。
特徴
- 高速過渡応答用に最適化済
- 出力電流: 1,0A
- ドロップアウト電圧:300mV
- 低ノイズ:45µVRMS (10Hzto100kHz)
- 1mA自己消費電流
- 保護ダイオード不要
- ドロップアウトの場合に制御静止電流
- 調整可能出力電圧: 1.21V ~ 20V
- シャットダウンの場合に1µA未満の静止電流
- 出力コンデンサが10µFで安定的
- セラミックコンデンサで安定的
- バッテリ逆挿入保護
- 逆電流なし
- 熱制限
アプリケーション
- ロジック電源:3.3V ~ 2.5V
- 電源切替用ポストレギュレータ
- ポータブル/バッテリ駆動機器
ビデオ
簡略図
機能ブロック図
公開: 2024-12-10
| 更新済み: 2025-01-22

