TPS7B70-Q1は、–40°C~+125°Cの周囲温度で動作し、–40°C~+150°Cの接合部温度が備わっています。また、このデバイスは、熱伝導性パッケージになっており、オフバッテリ動作の一般的な特性であるデバイス全体の大幅な消費にもかかわらず、持続動作を可能にします。これらの機能および搭載されている電流制限およびサーマル・シャットダウン保護によって、TPS7B70-Q1は、自動車コンポーネントに電力を供給する上で優れた選択です。
特徴
- 車載アプリケーション向けに品質評価済み
- AEC-Q100で品質評価済み、結果は以下のとおりです。
- デバイス温度グレード1: –40°C~125°Cの動作周囲温度範囲
- デバイスHBM ESD分類レベル2
- デバイスCDM ESD分類レベルC4B
- デバイス接合部温度範囲: –40°C~+150°C
- 最大出力電流: 300mA
- 最大45V過渡がある4V~40Vの広VIN入力電圧範囲
- 固定3.3Vおよび5V出力
- 最大ドロップアウト電圧: 300mAで400mV
- 広範な静電容量での出力コンデンサによる安定(4.7µF~500µF)およびESR(0.001Ω~20Ω)
- 低自己消費電流 (I(Q))
- ENがロー(シャットダウン・モード)の場合に< 4µA
- VINTがハイの軽負荷で19µA(typical)
- 完全に調整できるパワーグッド閾値とパワーグッド遅延タイミング
- UVLOを対象とした低入力電圧追跡
- 統合障害保護
- 過負荷電流制限保護
- サーマルシャットダウン
- 16ピンHTSSOP PowerPADパッケージ
- 熱抵抗 (RθJA): 39.7°C/W
アプリケーション
- ボディコントロール・モジュール(BCM)
- EVおよびHEVバッテリ管理システム
- トランスミッション制御装置(TCU)
- ヘッド ユニット
- 電動パワー ステアリング(EPS)
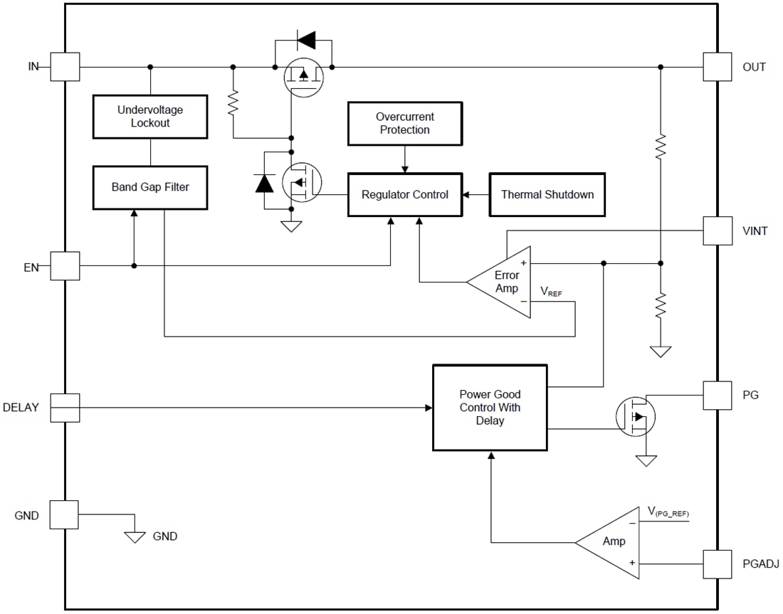
機能ブロック図
公開: 2018-12-13
| 更新済み: 2025-06-05

