スイッチはオン・アンド・オフ入力(EN)によって制御されており、低電圧制御信号と直接インターフェイス接続できます。過電圧保護とソフトスタートは、OVPおよびSSピンを介していくつかの外付け部品を使用してプログラミングできます。Texas Instruments TPS7H2211は、サーマルパッドが露出したプラスチックおよびセラミックパッケージで提供され、熱性能の向上を可能にします。
特徴
- 100krad (Si) の放射線硬度保証の可用性で100krad (Si) に特徴付けられる全イオン化線量 (TID)
- シングルイベント効果(SEE)特徴
- リニアエネルギー転送 (LET) に対するシングル・イベント・ラッチアップ (SEL) 、シングル・イベント・バーンアウト (SEB) 、シングルイベントゲートラプチャ (SEGR) = 75MeVcm2/mg
- LET = 75MeVcm2/mgを特徴とするシングル・イベント・ファンクショナル・インタラプト (SEFI) およびシングル・イベント・トランジェント (SET)
- 統合シングルチャンネルeFuse
- 25°Cで最大60mΩの低オン抵抗 (Ron)、VIN = 12V
- 入力電圧範囲4.5V~14V
- 3.5Aの最大連続スイッチ電流
- 1.2V、1.8V、2.5V、3.3V ロジックの使用を支援する低制御入力閾値
- 構成可能な立ち上がり時間(ソフトスタート)
- 逆電流保護(RCP)
- 過電圧保護(OVP)
- 内部電流制限(高速トリップ)
- 熱シャットダウン
- セラミックおよびプラスチック・パッケージ(熱パッド付)
アプリケーション
- 衛星電気電力システム(EPS)
- コールドスペア電源(冗長性)
- コマンドとデータの処理
- 通信ペイロード
- 放射線硬化および耐性パワーツリー
ビデオ
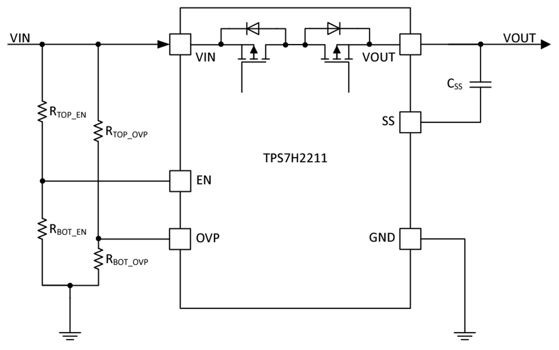
簡略図
公開: 2024-10-08
| 更新済み: 2024-10-15

