TI TPS7H4011QEVM-CVALは、追加の部品を実装するためのフットプリントを確保しており、カスタマイズ構成のテストに使用できるほか、テスト・ポイントによるデバイスの簡単な構成と性能検証と分析が可能です。
特徴
- 4チャネル動作で、最大48Aの出力電流に対応
- 入力電圧範囲:4.5V~14V
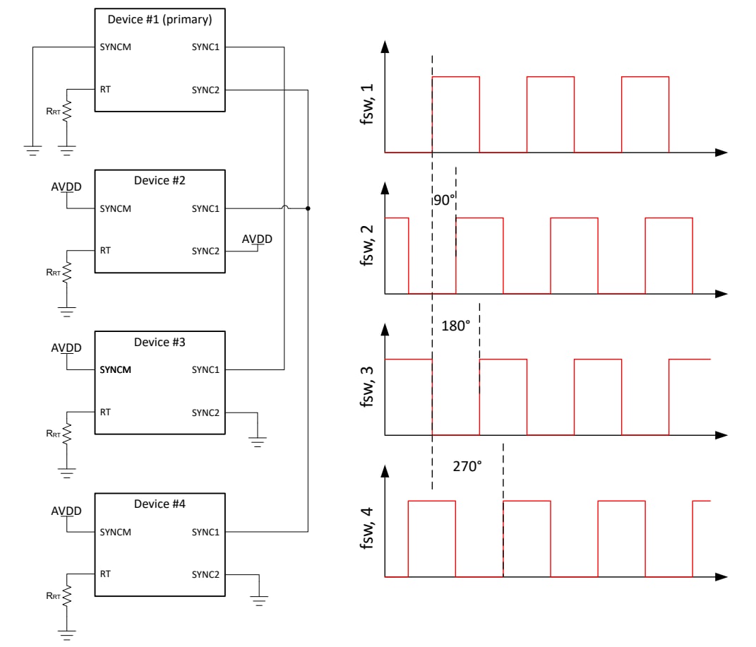
- 選択可能なスイッチング周波数
- 大電流過渡テスト回路
- ライン、温度、放射線の全範囲にわたる0.6V ±0.67%の電圧リファレンス
アプリケーション
- 人工衛星のポイント・オブ・ロード電源
- 衛星用電源システム (EPS)
- 通信ペイロード
- レーダー画像ペイロード
- 放射線耐性強化電源
簡略図
レイアウト
公開: 2025-05-30
| 更新済み: 2025-06-05

