Texas Instruments TPS92401LEDドットコントローラ

Texas Instruments TPS92401LEDドット・コントローラは、PWM シャント FET、SPI インターフェイス、および適応型コンフィギュレーションを内蔵した、4 チャネル5ALED デバイスです。これらのLEDドライバには、4個の直列接続されたシャントFETが含まれており、各シャントFETは個々のLEDにPWM調光を提供します。TPS92401ドット・コントローラには、システム・クロック用の内部オシレータが内蔵されており、最大16ビット、最大プログラマブルPWM周波数(60kHz)までの内蔵PWMジェネレータを使用できます。これらのLEDドットコントローラは、定電流レギュレータのPWM調光制御を提供し、低輝度条件での調光効率を向上させるためにマルチチャネル省電力を可能にします。TPS92401デバイスは、 ステージおよび写真照明、手術用照明、マシンビジョンおよびIPカメラLEDアレイ、コールド/ウォームWLED照明、3Dプリンティング、産業用輸送アプリケーションに最適です。

特徴

  • 広い入力電圧範囲 4.5V~65V
  • LEDの共通陽極または陰極接続
  • 4個の内蔵PWMシャントFET:
    • 5A FET最大連続電流
    • PWM 発振器用内部32MHz発振器
    • プログラム可能な16ビット、>20kHzPWM調光
  • SPIインターフェースとアダプティブ・コンフィギュレーション:
    • データ転送用に最大5MHzSPI クロック
    • スター接続とデイジーチェーン接続
    • 16-LED、最大4台のデバイスをスタック可能。
  • EMI性能の向上:
    • プログラム可能なPWMスルー・レート
    • プログラム可能なPWMエッジシフト
    • スペクトラム拡散付き内部チャージポンプ
  • 包括的な保護機能を搭載:
    • LEDオープン検出と保護
    • LEDショート検出
    • シャントFETオープン検出
    • プログラム可能なLED開放電圧
    • 熱警告
  • 省電力モード(オプション)
    • LEDドライバ制御用PWM出力
    • 低電力スタンバイモード
  • パッケージ VQFN-36

アプリケーション

  • 舞台照明と撮影照明
  • 手術用照明
  • マシンビジョンとIPカメラLEDアレイ
  • コールド/ウォームWLED照明
  • 3D印刷
  • 産業輸送

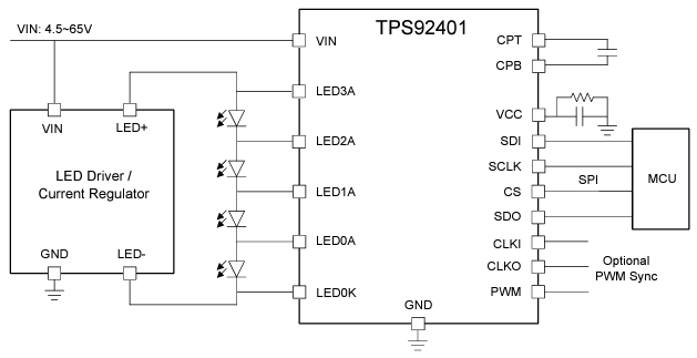
アプリケーション回路

アプリケーション回路図 - Texas Instruments TPS92401LEDドットコントローラ
公開: 2025-01-08 | 更新済み: 2025-01-28