Texas Instruments TPS92520-Q1同期バックLEDドライバ
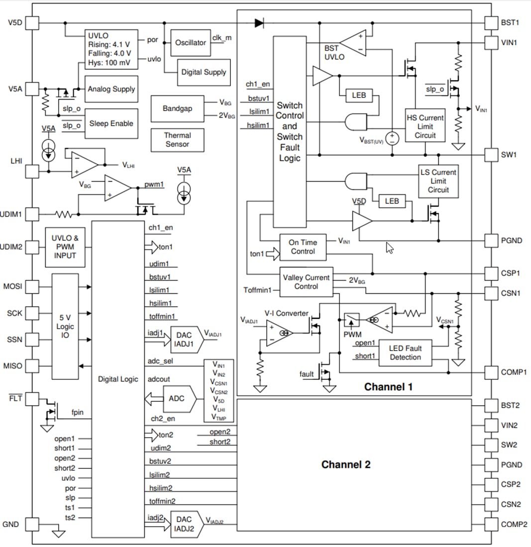
Texas Instruments TPS92520-Q1同期降圧LEDドライバは、4.5V~65Vの広い動作入力電圧範囲を備えたモノリシックのデュアル同期降圧LEDドライバで、直列接続された2つのLEDストリングに独立して電力を供給することができます。TPS92520-Q1には、適応型ON時間平均電流モード制御が実装されており、シャントFET調光テクノロジーおよびLED Matrix Managerベースのダイナミック・ビーム・ヘッドランプとの互換性があるように設計されています。適応型オンタイム制御により、100kHz~2.2MHzの間で設定可能なほぼ一定のスイッチング周波数が提供されます。Texas Instruments TPS92520-Q1インダクタ電流センシングとク閉ループ・フィードバックにより、広い入力電圧、出力電圧、周囲温度範囲にわたって ±4%を上回る精度を実現します。高性能LEDドライバは、アナログまたはPWM調光技術を使用してLED電流を個別に変調することができます。SPIを通じて10ビットIADJ値をプログラミングすることにより、16:1以上の範囲で線形アナログ調光応答が得られます。LED電流のPWM調光は、対応UDIM入力ピンを直接変調を適切なデューディーサイクルで直接変調することで、あるいは内部PWM発生器回路を有効にすることで達成されます。PWMジェネレータは、10ビットPWMレジスタ値をプログラム可能なデジタル・カウンターと比較することにより、対応する負荷サイクルに変換します。
TPS92520-Q1には、サイクルごとのスイッチ電流制限、ブートストラップ不足電圧、LEDオープン、LEDショート、熱警告、熱シャットダウンを特徴とする、高度な SPI プログラム可能な診断および障害保護機能が組み込まれています。オンボードの10ビットADCは、システムのヘルス・モニタリングと診断に必要な重要な入力パラメータをサンプリングします。TPS92520-Q1は、8.1mmx11mm熱強化 32ピン HTSSOPパッケージで提供され、2.75mmx3.45mmの上部露出および下部露出パッドを備えています。
特徴
- 自動車アプリケーション向けのAEC-Q100認定済み
- –40°C~125°C周囲動作温度Grade 1
- デバイスHBM分類レベルH1C
- デバイスCDM分類レベルC5
- 機能安全対応
- 機能安全システム設計を支援する文書を利用可能
- 4.5V~65Vの広い入力電圧範囲
- 最大1.6Aまでの連続出力電流(4%精度)
- 適応型ON時間平均電流制御
- プログラム可能なスイッチング周波数:100kHz~2.2MHz
- サイクル別のスイッチ過電流保護
- 高度調光動作
- 10ビット高精度アナログ調光
- 10ビット高精度内部PWM調光
- 外部PWM調光入力をサポート
- LED Matrix Managerを含む、外部シャント調光に最適
- スイッチ熱保護
- シリアルペリフェラルインターフェイス(SPI)
- 構成式アナログ・リファレンス、スイッチング周波数、PWM調光負荷サイクル
- 故障監視と報告
- Limp-home(LH)およびスタンドアロン・モード動作
アプリケーション
- 車載ヘッドライトと適応型LED駆動モジュール
機能ブロック図
公開: 2020-07-01
| 更新済み: 2025-03-06
