Texas Instruments TPS92530-Q1 3チャネル同期降圧LEDドライバ
Texas Instruments TPS92530-Q1 3チャネル同期降圧LEDドライバは、4.5V〜65Vの広い動作入力電圧範囲により、直列接続された3本のLEDストリングに個別に電力を給電できます。TPS92530-Q1には、適応型オン時間平均電流モード制御が実装されており、定電圧または定電流の出力を生成するように設計されています。適応型オン時間制御により、100kHz〜1.2MHzの範囲で設定可能なスイッチング周波数をほぼ一定に保ちます。このデバイスは、定電流モードでは、シャントFET調光手法やLEDマトリックスマネージャを使用したダイナミックビームヘッドランプと互換性があります。定電圧モードでは、適応型オン時間制御により、高速過渡応答と高帯域幅動作が可能になります。インダクタ電流センシングと閉ループ帰還により、広い入力電圧、出力電圧、周囲温度範囲にわたって ±4%未満の精度が得られます。定電流モードでは、高性能LEDドライバは、アナログまたはPWM調光手法によりLED電流を独立して変調できます。10ビットの基準値(CHxREF)をSPIでプログラムすることにより、16:1を超える範囲の線形アナログ調光応答が得られます。LED電流のPWM調光は、対応するUDIM入力ピンを目的のデューティ・サイクルで直接変調するか、内部PWMジェネレータ回路を有効にすることで行えます。PWMジェネレータは、10ビットPWMレジスタの値をプログラマブル・デジタル・カウンタと比較することで、そのレジスタ値を対応するデューティ・サイクルに変換します。
Texas Instruments TPS92530-Q1には、サイクルごとのスイッチ電流制限、ブートストラップ不足電圧、LEDオープン、LEDショート、熱警告、およびサーマルシャットダウンを特徴とする高度なSPIプログラマブル診断および障害保護機能が組み込まれています。内蔵10ビットADCは、システムの健全性監視および診断に必要となる重要な入力パラメータをサンプリングします。
特徴
- 車載アプリケーション向けAEC-Q100認定
- グレード1 (–40°C~125°C 周囲動作温度)
- デバイスHBM分類レベルH1C
- デバイスCDM分類レベルC5
- 機能安全対応
- 機能安全システム設計を支援する文書を利用可能
- 広い入力電圧範囲 4.5V~65V
- 構成可能な定電圧/定電流動作
- 最大2Aの連続出力電流
- 4%のレギュレーション精度(電圧および電流モード)
- 適応型ON時間平均電流制御
- プログラム可能なスイッチング周波数:100kHz〜1.2MHz
- 高度調光動作
- 10ビット高精度アナログ調光
- 10ビット高精度内部PWM調光
- 外部PWM調光入力をサポート
- LED Matrix Managerをはじめとする外部シャント調光向けに最適化済
- サイクル別のスイッチ過電流保護
- スイッチ熱保護
- シリアルペリフェラルインターフェイス(SPI)
- 構成式アナログ・リファレンス、スイッチング周波数、PWM調光負荷サイクル
- 障害の監視と報告
- リンプホーム (LH) およびスタンドアロンモード動作
アプリケーション
- 自動車用ヘッドライトおよびアダプティブLED駆動モジュール
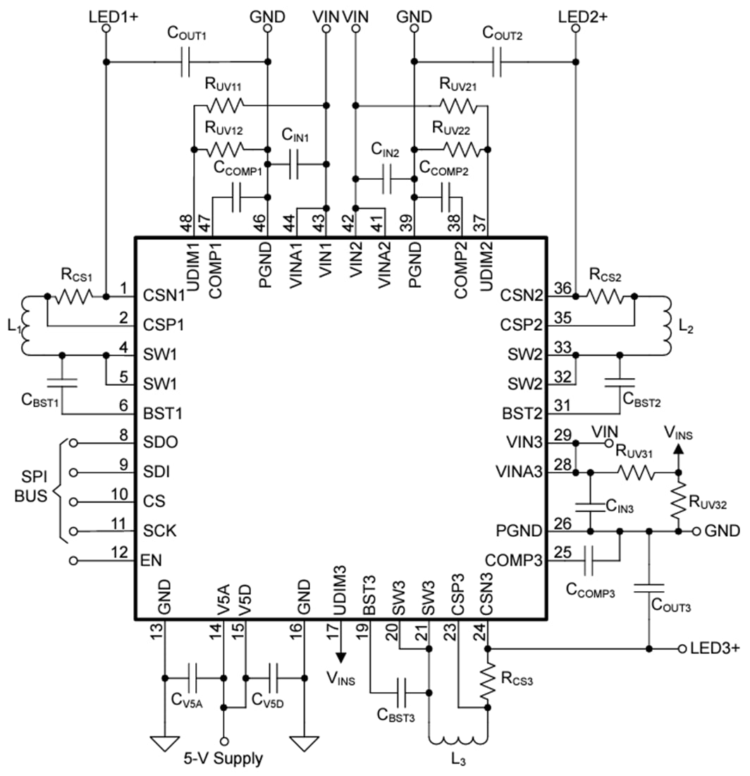
簡略図
公開: 2024-03-20
| 更新済み: 2024-03-27
