Texas Instruments TPS92624-Q1 4チャンネルLEDドライバ
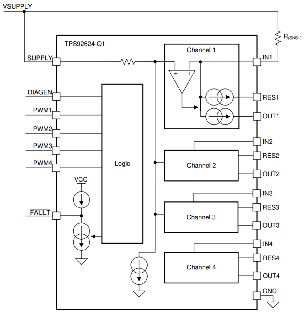
Texas Instruments TPS92624-Q1 4チャネルLEDドライバには、デバイスの温度上昇を低減するための独自の熱管理設計が含まれています。TPS92624-Q1は、リニア・ドライバで、車載バッテリによって直接給電されており、チャンネルあたり最大150mAまでの完全電流負荷を出力するための広い電圧種類があります。外部シャント抵抗器は、出力電流を共有してドライバから電力を消散するために活用されます。デバイスの完全診断機能には、LEDオープン、LEDとGND回路の短絡、デバイスの過熱保護が含まれます。Texas Instruments TPS92624-Q1のワン・フェイル・オール・フェイル機能は、TPS9261x-Q1、TPS9262x-Q1、TPS92630/8-Q1、TPS92830-Q1などの他のLEDドライバと連動して作動して、さまざまな要件に対応できます。
特徴
- 自動車アプリケーション向けAEC-Q100認定
- 温度グレード1(-40°C〜125°C、TA)
- 広い入力電圧範囲 4.5V~40V
- 外付けシャント抵抗器による熱共有
- 障害モードでの低供給電流
- 4つの高精度電流安定化
- 各チャンネルで最大150mAまでの電流出力
- 全温度範囲で±5%の精度
- レジスタによる独立した電流設定
- 輝度制御のための独立したPWMピン
- 低ドロップアウト電圧
- 150mAの最大ドロップアウトで600mV
- 診断と保護
- LEDオープン回路(オートリカバリ機能搭載)
- オートリカバリを備えたLEDのGNDへのショート
- 閾値を調整できる診断イネーブル
- フォールト・バスを、ワン・フェイル・オール・フェイルまたはワン・フェイル・チャンネル・オフ(N-1)のいずれかとして構成可能
- 熱シャットダウン
- –40°C~150°C動作接合部温度範囲
特徴
- 車載用外装リアライト:リアランプ、センター高取付ストップランプ、サイドマーカー
- 車載用外装小型照明:ドアハンドル、ブラインドスポット検出インジケータ、充電インレット
- 車載用内装照明:架上コンソール、読書用ランプ
- 汎用LEDドライバ・アプリケーション
機能ブロック図
公開: 2022-05-11
| 更新済み: 2025-03-06
