Texas Instruments TPS92630EVM LEDドライバ評価モジュール(EVM)
Texas Instruments TPS92630EVM LEDドライバ評価モジュール(EVM)は、TPS92630-Q1の動作と性能の評価を支援します。この評価モジュールは、典型的なLEDアプリケーションでのTPS92630-Q1の評価を促進します。この評価モジュールにはTPS92630-Q1統合回路(IC)が含まれています。合計チャンネル数は3で、各チャンネルごとに受動部品と3個のOSRAM LEDの連続した組み合わせに対応しています。赤色LEDの複数のストリング、または中程度電力範囲までの白色LEDの駆動用に設計された最適な製品です。特徴
- アナログおよびPWM調光機能搭載3チャンネルLEDドライバ
- 広い入力電圧範囲: 5 – 40V
- 最大 電流: チャンネル当たり150mA、並列動作モードで450mA
- チャネルあたりの固定内部電圧リファレンスが備わったシングルLEDショート・コンパレータ
- オープン、ショート、サーマルシャットダウン障害報告用のフォルトピンで、最大10個のデバイスへの並列バス接続が可能
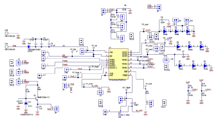
回路図
公開: 2016-04-01
| 更新済み: 2025-03-06
