Texas Instruments TPS92663-Q1車載用LEDマトリックス・マネージャ
Texas Instruments TPS92663-Q1高輝度LEDマトリックス・マネージャは、自動車のヘッドライト・システムを対象としており、完全ダイナミック適応型照明ソリューションです。このデバイスは、個々の画素レベルのLED制御を実現しており、個々のLEDをバイパスするための3直列接続集積スイッチの2つのサブストリングが含まれています。単一または複数の電流源は、個々のサブストリングならびにスイッチ2個の並列接続によって受け入れが可能で、大電流LEDをバイパス接続できます。マルチドロップ・ユニバーサル非同期レシーバ・トランスミッタ(UART)シリアル・インターフェイスは、マスタ・マイクロコントローラを使用してデバイスを制御します。CANトランシーバをシリアル・インターフェイスを介してサポートし、さらなる強固な物理層のために使用できます。LEDビニングとコーディングは、システムの温度補償を目的とした2つの多重入力が備わっているオンデバイス8ビットADCによって実現できます。オープンLED保護はTPS92663-Q1に装備されており、プログラマブル閾値が備わっています。TPS92663-Q1は、車載用アプリケーションのAEC-Q100認定を受けています。特徴
- 車載アプリケーション向けAEC-Q100認定
- デバイス温度Grade 1: -40°C~125°C、TA
- デバイスHBM分類レベル: H1C
- デバイスCDM分類レベルC5
- 入力電圧範囲: 4.5V~60V
- 6つの統合バイパス・スイッチ
- 2つのサブ文字列の3シリーズ・スイッチ
- スイッチ全体で20V(最大)
- スイッチ対GNDで62V(最大)
- マルチドロップUART通信インターフェイス
- 最大16のアドレス対応デバイス
- TPS92662との同じバス上での統合
- CAN物理層との互換性あり
- ケーブル・ハーネスでのワイヤの最小数
- 2つのMUX入力がある8ビットADC
- クリスタル発振器ドライバ
- プログラマブル10ビットPWM調光
- 個々の位相シフトとパルス幅
- デバイス対デバイスの同期
- LEDオープンおよびショート検出と保護
アプリケーション
- 車載用ヘッドライト・システム
- 高輝度LEDマトリックス・システム
- ADBまたはグレアフリー・ハイビーム
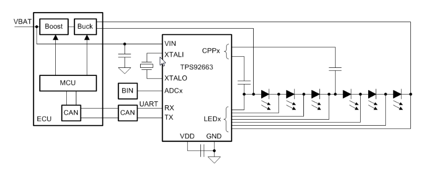
ブロック図
公開: 2018-08-08
| 更新済み: 2025-03-10
