Texas Instruments TPSI3100/TPSI3100-Q1絶縁型スイッチドライバ
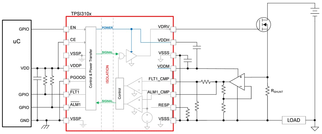
Texas Instruments TPSI3100/TPSI3100-Q1絶縁型スイッチドライバは、統合型の絶縁デバイスで、外部パワースイッチと組み合わせることにより、完全な絶縁型ソリッドステートリレーソリューションを形成します。ゲート駆動電圧15.8V、ピークソース電流/ピークシンク電流1.5/2.5Aという性能を備えているため、さまざまなパワースイッチを使用して多くのアプリケーションのニーズに対応できます。このドライバは、電流および電圧監視やリモート温度検出などの各種機能を実行するために補助回路で使用する追加電力を公称5Vのレール(VDDM)経由で供給します。TPSI3100-Q1は、車載アプリケーション用にAEC-Q100認定済みです。Texas Instruments TPSI3100/TPSI3100-Q1ドライバは、従来の機械式リレーやオプトカプラを使用する場合と比べて高信頼性、低消費電力、および向上した温度範囲が特徴です。これらのドライバは、オンボード充電器、ソリッドステートリレー、ビルディングオートメーション、バッテリ管理システムなどのアプリケーションで使用されます。
特徴
- 外部パワートランジスタを駆動
- 絶縁された二次電源は不要
- 15.8Vゲート・ドライブ、1.5A/2.5Aピーク・ソース/シンク電流
- 強化絶縁:5kVRMS
- 最大 25mW、外部補助回路用の5V供給
- 電圧リファレンス±1.5%を統合したデュアル絶縁型高速コンパレータ
- 障害およびアラームインジケータ用のオープンドレイン出力
- 車載アプリケーション向けにAEC Q-100認定済み(TPSI3100-Q1)
- 温度グレード1:(–40°C~+125°C、TA)
- 機能安全対応
- 機能安全システム設計を支援する文書を利用可能
- 安全関連認定
- 予定 - DIN EN IEC 60747-17 (VDE 0884-17) に準拠した強化絶縁:7070VPK
- 予定 - UL 1577に準拠した絶縁耐圧:5kVRMS(1分間)
アプリケーション
- ソリッドステートリレー
- バッテリ管理システム
- オンボード充電器
- ハイブリッド、電気、パワートレインシステム
- ビル用オートメーション
- ファクトリオートメーションと制御
データシート
簡略図
公開: 2024-02-09
| 更新済み: 2025-11-14
