TI TPSM8287A1xMは、高速過渡に対応している強化された制御スキームを促進します。固定周波数または省電力モードで動作します。リモートセンシングの特性によりポイントオブロードでの電圧制御が最適化されます。また全温度範囲におけるDC電圧精度は±1.0%です。このデバイスはスタックモードとパラレルモードで動作し、より高い出力電流を生成し、複数のデバイスに電力損失を拡散することができます。I2C互換インターフェイスにより、複数の制御、監視、警告機能を備えています。VSETxピンによりスタートアップ電圧を選択できるため、アクティブなI2C通信がなくても起動できます。
特徴
- 動作温度範囲:-55°C~+125°C
- 差動リモートセンシング
- VSETxピンを介して5つのI2Cアドレスを選択可能
- 広い出力コンデンサ範囲と最適化された過渡応答のための調整可能な外部補償
- 低EMI要件向け設計
- ボンドワイヤパッケージなし
- 内部入力コンデンサ
- 並列入力パスによるレイアウトの簡略化
- 外部クロックまたはスペクトラム拡散動作への同期オプション
- ±1,0%の出力電圧精度
- マルチフェーズ動作向けの並列接続が可能
- スタートアップ時の出力電圧は、VSETxピンにより0.40V~3.35Vの範囲で50mV刻みで選択可能。また、I2Cにより1.25mV刻みで調整可能
- 省電力モードまたは強制PWM動作
- 高精度のイネーブル入力スレッショルド
- パワーグッド出力(ウィンドウ・コンパレータ搭載)
- アクティブ出力放電
- 優れた熱性能
- 4.5mm x 6.8mm QFNパッケージ(0.5mmピッチ)
- 77mm2 の設計サイズ
アプリケーション
- 航空機用電力
- 防衛無線
- シーカー・フロント・エンド
- レーダー
- 鉄道
簡略図
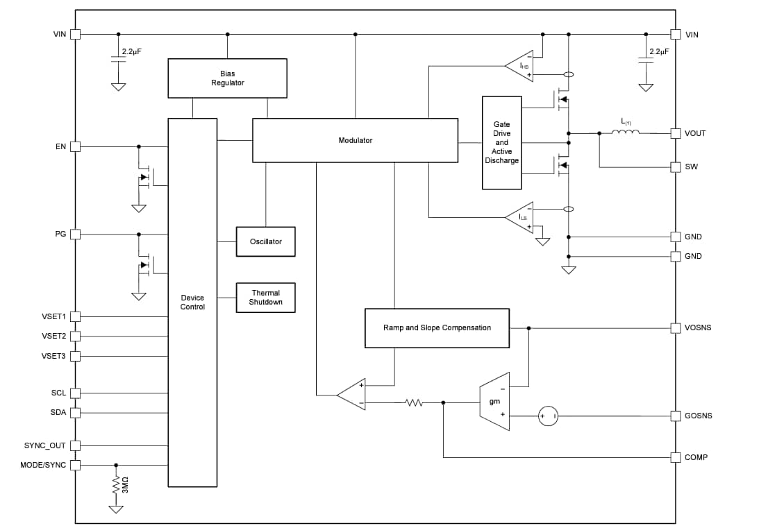
機能ブロック図
公開: 2024-12-11
| 更新済み: 2025-05-29

