Texas Instruments TPSM843B22 SWIFT™降圧電源モジュール
Texas Instruments TPSM843B22 SWIFT™ 降圧型パワーモジュールは、効率性の高い18V、20A同期バックモジュールで、内部補償された固定周波数高度電流モード(ACM) 制御アーキテクチャが採用されています。デバイスはFCCMの下で連続的に動作しますが、0.5V ~ 7Vの出力電圧を生成します。このモジュールは、最大2.2MHzのスイッチング周波数で動作しながら、高い効率性を実現できます。Texas Instruments TPSM843B22は、6.5mm x 7.5mm x 4mmオーバーモールド・パッケージに収められており、小型ソリューション・サイズを必要とする設計に最適です。追加機能には、高精度電圧リファレンス、選択可能なソフトスタート時間、プリバイアス出力への単調スタートアップ、選択可能な電流制限、EN ピンを介した調整可能な UVLO、および一連の障害保護が含まれます。特徴
- 固定周波数、内部補償された高度電流モード(ACM)制御
- 統合6.5mΩおよび2mΩ MOSFET、インダクタ、基本受動部品
- 入力電圧範囲: 4V~18V
- 出力電圧範囲: 0.5V~7V
- 真の差動リモートセンスアンプ(RSA)
- 制御ループ性能を最適化するために選択できる3通りのPWMランプオプション
- 500kHz、750kHz、、1MHz、1.5MHz 2.2MHzの5つの選択可能なスイッチング周波数
- 外部クロックに同期可能
- 電圧リファレンス精度 全温度範囲にわたって0.5V、±0.5%
- ソフトスタート時間を1ms、2ms、4ms、8msから選択可能
- プリバイアス出力へのモノトニックスタートアップ
- 調整可能な入力低電圧ロックアウトによるイネーブル
- パワーグッド出力モニタ
- 出力過電圧、出力低電圧、入力低電圧、過電流、温度過昇保護
- 動作接合部温度:-40°C ~ 125°C
- 6.5mm × 7.5mm × 4.0mm、25ピンオーバーモールドQFNパッケージ
- 無鉛/RoHS準拠
- 16A – TPSM843A26および12A – TPSM843A22とのピン互換性あり
アプリケーション
- 無線および有線通信インフラ機器
- 光とファイバネットワーク
- 試験と測定
- 医療機器と健康機器
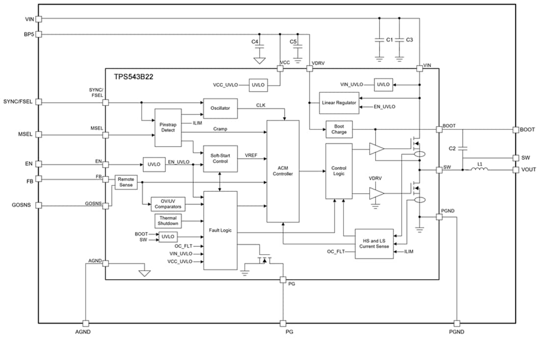
機能ブロック図
公開: 2023-09-18
| 更新済み: 2023-11-29
